A szénacél tömítő diófélék egy olyan típusú rögzítőelem, amelyet vékony lemezek vagy fémek csatlakoztatására használnak. Szén acélból készülnek, edzve és oltottak a keménység növelése érdekében, és a felület horganyzott vagy más módon korrózióállóvá válik.
A tömítő klinikus anya meglehetősen egyszerű, használhat standard pneumatikus vagy hidraulikus klinching szerszámokat. Így működik: Először tegye az anyát egy előre lyukasztott lyukba, majd használjon egy lyukasztást és szerszámkészletet a nyomás felhordásához. A szerszám a fémlemezt az anya klinch gallérja körül nyomja meg, és egy gyors lépésben szilárd mechanikus zárat képez.
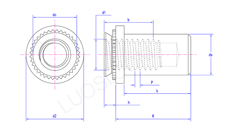
| Mon | M3-1 | M3-2 | M4-1 | M4-2 | M5-1 | M5-2 | M6-1 | M6-2 |
| P | 0.5 | 0.5 | 0.7 | 0.7 | 0.8 | 0.8 | 1 | 1 |
| DS Max | 3.84 | 3.84 | 5.2 | 5.2 | 6.35 | 6.35 | 8.75 | 8.75 |
| DC Max | 4.2 | 4.2 | 5.38 | 5.38 | 6.33 | 6.33 | 8.73 | 8.73 |
| B Min | 5.3 | 5.3 | 7.1 | 7.1 | 7.1 | 7.1 | 7.8 | 7.8 |
| H Max | 0.91 | 1.38 | 0.97 | 1.38 | 0.97 | 1.38 | 1.38 | 1.38 |
| H Max | 9.85 | 9.85 | 11.45 | 11.45 | 11.45 | 11.45 | 14.55 | 14.55 |
| H -min | 9.35 | 9.35 | 10.95 | 10.95 | 10.95 | 10.95 | 14.05 | 14.05 |
| k max | 8.5 | 8.5 | 9.8 | 9.8 | 9.8 | 9.8 | 12.7 | 12.7 |
| D2 Max | 6.6 | 6.6 | 8.2 | 8.2 | 9 | 9 | 11.35 | 11.35 |
| D2 perc | 6.1 | 6.1 | 7.7 | 7.7 | 8.5 | 8.5 | 10.85 | 10.85 |
| D1 | M3 | M3 | M4 | M4 | M5 | M5 | M6 | M6 |
A szénacél tömítő dióféléket a kulcsmérések határozzák meg: a szál méretét (például M4, M5, M6 vagy 1/4 "-20), Clinch gallér átmérőjét, teljes magasságát, tömítő alátétméreteket és a lap vastagságát (mindkettő, mind max, mind max). Szabvány metrikus vagy birodalmi szálakban kaphatja meg őket.
A klinch -erejük (hogy mennyire ellenállnak a kiszorításnak vagy elcsavarva) az ipari előírásokkal szemben (gondolj ISO, DIN, IFI). A megfelelő méret kiválasztása nagy ügy, biztosítja, hogy a pecsét tartsa, és az anya elég erős -e a munkához.
A szénacél tömítőanyaga beépítéséhez szükség van egy speciális klinching szerszámra és a Die Set -re, amely pontosan megfelel az anyának a méretével. Először tegye az anyát egy előre lyukasztott lyukba a fémlemezben. Ezután a szerszám ellenőrzött nyomást gyakorol, amely miatt az anya pilóta és Knurl a környező fémbe süllyed. Ez a hidegképző folyamat a helyén rögzíti a rozsdamentes acél anyát, és ugyanakkor a beépített tömítő alátétet a panelhez csapja. Így hozza létre a szivárgásmentes pecsétet, amely ezeket a dióféléket egyedivé teszi.
