Bővülő szegecscsipesz
        • Bővülő szegecscsipeszBővülő szegecscsipesz
        • Bővülő szegecscsipeszBővülő szegecscsipesz
        • Bővülő szegecscsipeszBővülő szegecscsipesz
        • Bővülő szegecscsipeszBővülő szegecscsipesz
        • Bővülő szegecscsipeszBővülő szegecscsipesz

        Bővülő szegecscsipesz

        A táguló szegecscsipesz egy műanyag rögzítőelem, amelyet úgy szerelnek fel, hogy rugalmas szárait egy lyukon keresztül szúrják be, majd szétválasztják. A Xiaoguo® több mint tíz éves szakmai tapasztalattal rendelkező gyártó a rögzítőelem-iparban. A megrendelés nagyságától függetlenül tudjuk határidőre szállítani.
        Modell:QC/T 350-1999

        Kérdés küldése

        termékleírás

        A megbízható táguló szegecskapcsok legelterjedtebb anyagai az üvegerősítésű nylon 6/6 és az acetál kopolimer (POM). A Nylon 6/6 erősebb és jobban bírja a hőt. A POM jól tartja formáját, nem dörzsölődik sokat, és kopás nélkül bírja az ismételt használatot.

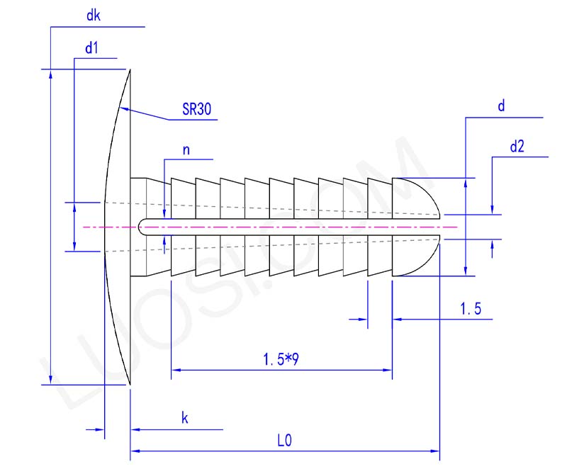
        expanding rivet clip parameter

        Hétfő
        Φ6 Φ8
        Φ10
        d max
        6 8 10
        d min
        5.8 7.8 9.8
        dk max
        16.2 16.2 18.2
        dk min
        15.8 15.8 17.8
        k max
        1.6 1.6 2.1
        k min
        1.4 1.4 1.9
        L0
        20 20 22
        d1
        3 4 5
        d2
        1.5 2 3
        n
        1 1 1.5

        Ezek a műszaki műanyagok biztosítják, hogy a hasított csaptest jól működjön mechanikai igénybevétel és nehéz körülmények között is. Ellentétben az olcsóbb műanyagokkal, nem törnek le könnyen.

        Karbantartás

        A táguló szegecskapcsok karbantartása egyszerű. Korrózióálló műanyagból készültek, nem rozsdásodnak, így nincs szükség rozsdagátló szerekre vagy olajokra. Használat előtt ellenőrizze, hogy nincsenek-e rajta sérülések, például repedések, deformációk, ridegség vagy kifehéredés a tartós napfény hatására. A csere egyszerű; nincs szükség speciális szerszámokra. Egyszerűen húzza ki a régi klipet a lábainál, és cserélje ki egy újra. Könnyen használható. Rendszeresen ellenőrizze a szegecskapocs állapotát, és azonnal cserélje ki.

        Ellenáll-e az UV-sugárzásnak hosszabb kültéri használat esetén?

        Szabványos, táguló szegecscsipeszeink UV-blokkolókkal vannak beépítve, amikor elkészítjük őket. Még ha hosszú ideig vannak kitéve napfénynek, akkor sem szárad ki, nem válik törékennyé és könnyen megreped.

        Az UV-védelemnek köszönhetően továbbra is végezhetik munkájukat, erősek, rugalmasak és szorosan tartják magukat, még durva kültéri dolgokban is. Gondoljon a traktorokra, markológépekre, napelemekre, mezőgazdasági felszerelésekre stb. A nélkülözhetetlen hagyományos műanyagokhoz képest ezek csak tovább bírják, anélkül, hogy foglalkozni kellene velük.


        Hot Tags: Bővülő szegecskapocs, Kína, gyártó, szállító, gyár
        Kapcsolódó kategória
        Kérdés küldése
        Kérdését az alábbi űrlapon adja meg. 24 órán belül válaszolunk.
        X
        Cookie-kat használunk, hogy jobb böngészési élményt kínáljunk, elemezzük a webhely forgalmát és személyre szabjuk a tartalmat. Az oldal használatával Ön elfogadja a cookie-k használatát. Adatvédelmi szabályzat
        Elutasít Elfogadás