itthon > Termékek > Csavar > T-Bolt > T fejhorgonycsavar
      T fejhorgonycsavar
      • T fejhorgonycsavarT fejhorgonycsavar
      • T fejhorgonycsavarT fejhorgonycsavar
      • T fejhorgonycsavarT fejhorgonycsavar

      T fejhorgonycsavar

      Bármikor ellenőrizheti a XiaoGuo® Company által gyártott kiváló minőségű T-horgonycsavarokat. A T alakú fej megkönnyíti a horgonyzó horonyba történő felszerelést. Különféle méretűek közül választhatunk Önnek. Mindig lesz egy csavar, amely megfelel neked.
      Modell:CNS 4947-1979

      Kérdés küldése

      termékleírás

      A T fejhorgonyos csavarok rögzítők, amelyeket a rögzítéshez használnak, a T-alakú fej megkönnyíti a horgonyzó horonyba történő felszerelést.Xiaoguo®Különböző méretűek közül választhat Önnek. Mindig lesz egy csavar, amely megfelel neked.

      A T fejhorgonycsavar feje T alakú, amelyet kényelmes a megfelelő T-alakú horonyba szorítva, hogy megakadályozzák, hogy meghúzva forogjon. A csavar farkát kifejezetten úgy tervezték, hogy szilárdan rögzítse az alapot, mint egy horgony.

      Telepítés és alkalmazás:

      Ezek a horgonycsavarok felhasználhatók az emelt ajtók nyomvonalainak rögzítésére. Gyorsabban vannak felszerelve, mint a csavarok. Csúsztassa őket az emelt acélhornyokba rögzítőszerszámok nélkül. A raktár telepítésekor az egyik kezével meghúzható, és egy létrán kiegyensúlyozható. Ezeket a nehéz sávok rögzítésére használják.

      T A fejhorgonycsavarok használhatók csőtartóként a HVAC számára. A csövek lógása a betonon több órát takaríthat meg. Helyezze be az Unisistrutba, és érintse meg a mennyezetbe ütő csavarhúzóval. Nincs szükség útmutató lyukakra. Az egyik munkavállaló befejezheti két ék alakú horgony telepítését.

      Ezeket a csavarokat a bányászati ​​szállítószalag keretének rögzítésére használják. Ezeket a földalatti erős keretek csavar rögzítéséhez használják, és ellenállhatnak a pornak. Kalapja le a T alakú fejet az ívelt csatornába; A szálak megragadhatják a korrodált acélt. A személyzet 15 percenként megváltoztatja az alkatrészeket műszakban.

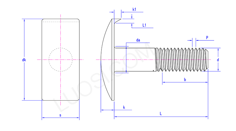
      Paraméterek:

      Mon M12
      P 1.75
      k 7
      K1 5
      L1 3
      Igen Max 15.2
      DK 55
      s 20


      Termékértékesítési pont:

      A T fejhorgonycsavarok különösen stabilak a rögzítésben és kényelmesek a telepítésben. Két fő tulajdonsággal rendelkezik: T-alakú fej és rögzítési funkció. Telepítéskor közvetlenül beilleszthető a T-lotba, anélkül, hogy ismételt helyzetbeállításra lenne szükség. A rögzítési struktúra szorosabban és szigorúbban tartja az alapot, és megakadályozza, hogy meglazuljon. És nincs szükség összetett professzionális eszközökre. Ezen felül széles körű alkalmazásokkal rendelkezik, és számos iparágban és forgatókönyvben felhasználható.



      Hot Tags: T Head horgonycsavar, Kína, gyártó, beszállító, gyár
      Kapcsolódó kategória
      Kérdés küldése
      Kérdését az alábbi űrlapon adja meg. 24 órán belül válaszolunk.
      X
      We use cookies to offer you a better browsing experience, analyze site traffic and personalize content. By using this site, you agree to our use of cookies. Privacy Policy
      Reject Accept