itthon > Termékek > Bezáró gyűrű > Tengelytartó -gyűrű > Írja be a BD bilincseket
      Írja be a BD bilincseket
      • Írja be a BD bilincseketÍrja be a BD bilincseket
      • Írja be a BD bilincseketÍrja be a BD bilincseket
      • Írja be a BD bilincseketÍrja be a BD bilincseket
      • Írja be a BD bilincseketÍrja be a BD bilincseket
      • Írja be a BD bilincseketÍrja be a BD bilincseket
      • Írja be a BD bilincseketÍrja be a BD bilincseket

      Írja be a BD bilincseket

      A BD típusú bilincsek a rögzítéshez használt felszerelés típusúak. Használható a hajók rögzítésére, felhasználható az építőiparban, a nehéz berendezésekben, és terepjáró járművekre is telepíthető. A XiaoGuo® gyár ellátási lánca átlátszó, szigorúan tesztelt és megfelel a nemzetközi terhelési szabványoknak.
      Modell:JIS B2801-3-1977

      Kérdés küldése

      termékleírás

      A BD típusú bilincsek magas szakító ötvözött acélból készülnek. Az anyag nem lesz törékeny, ha hirtelen, nehéz terheléseket igényel, és finomszemcsés sminkje segít tovább tartani az ismételt stressz alatt.Xiaoguo®Az ötvözet melegítését is kezelje, hogy megnehezítse a HRC 40-45 keménységét, hogy ellenálljon a kaparásoknak és a felületi károsodásnak.

      Mindezek miatt a bilincs még akkor is erős marad, ha sokszor nagy stressz alá helyezték, így számíthat rá, hogy hosszú ideig tart.

      Alkalmazás

      A BD típusú bd -bilincseket gyakran használják, ahol a terheléseket biztonságosan kell kezelni, például kikötési hajókat a tengerparton, felszerelve a kötélzetet a színházakba vagy a nehéz gépek összeszerelését. Rozsdásálló bevonatuk ideálissá teszi őket a tengeri műveletekhez, például rakomány szállításához a hajó és a part között, vagy a víz alatti mentési műveletek elvégzéséhez.

      Az építőiparban a BD-bilincseket daruhorgok rögzítésére használják acélgerendákhoz vagy előregyártott beton elemekhez. Az outdoor rajongók, akik terepjáró helyreállítást végeznek, ezek a bilincsektől is függnek, mert képesek kezelni a hirtelen sokkokat. Akár ipari gyártási, akár megújulóenergia -projektekben, például szélturbinák telepítésében, ezek a bilincsek megbízható kapcsolatot biztosítanak a nehéz terheléseket hordozó rendszerekben.

      Anyag

      K: Milyen anyagokat használnak a BD típusú bilincsekben, és hogyan ellenállnak a korróziónak?

      V: A BD típusú bilincsek szénacélból készülnek, amelyet hővel kezelnek, tehát elég kemények és nem kopnak könnyen. A rozsda megakadályozása érdekében egy cinkbevonatot kapnak, amelyet forró merítéssel alkalmaznak, ez segít nekik túlélni a sós víz vagy a nedves területeket korrodálás nélkül.

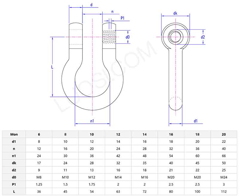
      Type BD shackles parameter

      Hot Tags: Típus BD bilincsek, Kína, gyártó, beszállító, gyár
      Kapcsolódó kategória
      Kérdés küldése
      Kérdését az alábbi űrlapon adja meg. 24 órán belül válaszolunk.
      X
      We use cookies to offer you a better browsing experience, analyze site traffic and personalize content. By using this site, you agree to our use of cookies. Privacy Policy
      Reject Accept