itthon > Termékek > Hegesztő diófélék > Hegesztett anya > 5. osztályú hegesztett négyszögletes anyák 1D típussal
        5. osztályú hegesztett négyszögletes anyák 1D típussal
        • 5. osztályú hegesztett négyszögletes anyák 1D típussal5. osztályú hegesztett négyszögletes anyák 1D típussal
        • 5. osztályú hegesztett négyszögletes anyák 1D típussal5. osztályú hegesztett négyszögletes anyák 1D típussal
        • 5. osztályú hegesztett négyszögletes anyák 1D típussal5. osztályú hegesztett négyszögletes anyák 1D típussal

        5. osztályú hegesztett négyszögletes anyák 1D típussal

        Az 5. osztályú, 1D típusú hegesztett négyszögletes anyák megfelelnek az 5. fokozatú szilárdsági szabványnak. 1D típusúak és fémfelületek hegesztésére alkalmasak. Alkalmas közepes intenzitású gépekhez, acélvázakhoz vagy ipari berendezésekhez. A Xiaoguo® gyár több mint tíz éves tapasztalattal rendelkezik a kötőelemek gyártásában, és professzionális személyzettel rendelkezik, hogy megfeleljen az Ön igényeinek.
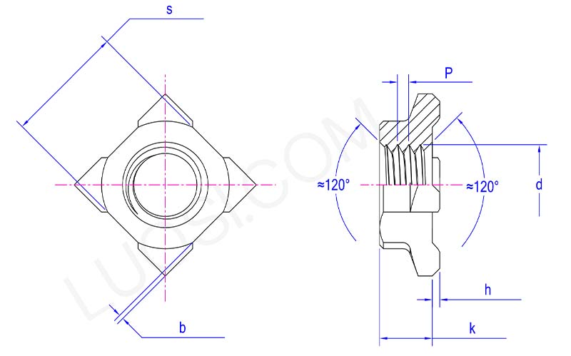
        Modell:JIS B1196-2-2001

        Kérdés küldése

        termékleírás

        Az 5. osztályú, 1D típusú hegesztett négyszögletes anyáknak négy lapos oldaluk van. Az anya közepén szabványos menetes furat található, amely kényelmesen használható a megfelelő csavarokkal. Az anya hegesztési felületén több kis kiemelkedés található, amelyek a hegesztés kulcselemei.

        A termék előnyei

        Az 1D típusú, 5. osztályú hegesztett négyszögletes anyák nem rendelkeznek szögletes furattal. Ehelyett egy kicsi és megemelt kiemelkedés van kialakítva az alján. Kifejezetten ellenállási ponthegesztésre tervezték. Az elektródák lefelé nyomódnak, és az áram átfolyik a megemelt területen. A megemelt terület azonnal megolvad, és összeolvad az anyával az alatta lévő fémmel.

        Az 5. osztályú hegesztési 1D típusú négyszögletes anyák könnyen és gyorsan hegeszthetők. Igazítsa a berendezést az anya kis kiemelkedéseihez, és alkalmazzon egy kis melegítést. Ezután az anyát gyorsan fel lehet hegeszteni a vaslemezre vagy más fém munkadarabokra. A hagyományos anyákhoz képest, amelyek felszereléséhez csavarozni kell, ez a módszer jelentősen időt takarít meg. Az anya valószínűleg nem forog könnyen, és stabilitása sokkal jobb, mint a köranyáé.

        Az 1D típusú négyszögletes anyák 5. osztályú hegesztésének egyik fő előnye a hegesztési folyamat következetessége. Mivel a kiemelkedések pontosan szabályozhatják a hegesztési varrat kialakulásának helyzetét, az automatikus ponthegesztőgép minden ciklusban megbízható eredményeket tud elérni. A kézi átmenőlyukhegesztéssel összehasonlítva a hegesztőpisztoly eltolódása miatti nem megfelelő hegesztési szilárdság valószínűsége sokkal kisebb.

        Az 5. osztályú hegesztési négyszögletes anyák 1D típusú használata után ellenőrizze a hegesztési rögöket. Minden kiemelkedésen látnia kell egy szilárd fúziós pontot. Úgy tűnik, hogy teljesen beleolvadt az alapanyagba. Ha a kiemelkedés alakja továbbra is látható, vagy elszenesedett/karcoltnak tűnik, akkor előfordulhat, hogy a hegesztési beállításokat (áram, idő, nyomás) módosítani kell a biztos kötés eléréséhez.

        A termék paraméterei

        Hétfő
        M4 M5 M6 M8 M10 M12
        P
        0.7 0.8 1 1|1,25 1,25|1,5 1,25|1,75
        s max
        8 9 10 12 14 17
        s min
        7.64 8.64 9.64 11.57 13.57 16.57
        k max
        3.2 4 5 6.5 8 10
        k min
        2.9 3.7 4.7 6.14 7.64 9.57
        h max
        1 1 1 1 1 1.2
        h min
        0.8 0.8
        0.8
        0.8
        0.8
        1
        b max
        0.5 0.5 0.5 1 1 1
        b min
        0.3 0.3 0.3 0.5 0.5 0.5

        parameter of Class 5 weld square nuts with type 1D

        Hot Tags: 5. osztályú hegesztett négyszögletes anyák 1D típussal, Kína, gyártó, szállító, gyár
        Kapcsolódó kategória
        Kérdés küldése
        Kérdését az alábbi űrlapon adja meg. 24 órán belül válaszolunk.
        X
        Cookie-kat használunk, hogy jobb böngészési élményt kínáljunk, elemezzük a webhely forgalmát és személyre szabjuk a tartalmat. Az oldal használatával Ön elfogadja a cookie-k használatát. Adatvédelmi szabályzat
        Elutasít Elfogadás