itthon > Termékek > Csavar > Hatlapfejű karima csavar > Hatlapú karimás csavarok csökkentett szárral
        Hatlapú karimás csavarok csökkentett szárral
        • Hatlapú karimás csavarok csökkentett szárralHatlapú karimás csavarok csökkentett szárral
        • Hatlapú karimás csavarok csökkentett szárralHatlapú karimás csavarok csökkentett szárral
        • Hatlapú karimás csavarok csökkentett szárralHatlapú karimás csavarok csökkentett szárral
        • Hatlapú karimás csavarok csökkentett szárralHatlapú karimás csavarok csökkentett szárral

        Hatlapú karimás csavarok csökkentett szárral

        A Xiaoguo® által Kínában gyártott, csökkentett szárú hatlapú karimás csavarok megfelelnek a szigorú minőségi előírásoknak. Csavarjaink olyan anyagokból állnak rendelkezésre, mint a szénacél és ötvözött acél. Testreszabott szolgáltatásokat tudunk ajánlani. Ha bármilyen igénye van, kérjük, forduljon hozzánk bármikor.
        Modell:DIN 6922-1983

        Kérdés küldése

        termékleírás

        Hatlapú karimás csavarok csökkentett szárralmegakadályozhatja az autó kipufogócsövének meglazulását. A lecsökkentett rúdrész átmérője kicsi, így beépítéskor szűkebb helyekre is beilleszthető. A csavar vékonyodásával kevesebb anyagot használnak fel, és ennek megfelelően a költségek is csökkennek.

        产品应用与参数

        A használatahatlapú karimás csavarok csökkentett szárralmegakadályozhatja a műanyag kerti fészerek megrepedését. Amikor az anyag hő hatására kitágul, a rúdtest kissé meghajlik. A karima eloszlatja a nyomást és megakadályozza a vékony falú repedéseket. Ezért nincs szükség szalaggal javítani.

        它们通常用于在狭窄的发动机舱内修理卡车.细长的杆体可以消除传感器或管线周围的障碍物,法兰部分则能防止螺栓晃动。镀锌层能有效抵抗路面溅水,维护时不会有螺栓头脱落的情况。

        Hatlapú karimás csavarok csökkentett szárralhasználható kis gépek, például elektromos borotvák, kis nyomtatók stb. javítására. Újra rögzítheti az alkatrészeket a gép szűk belsejében, kényelmesebbé téve a karbantartást és biztosítja a gép javítás utáni normál működését.

        成本与重量优势

        Hatlapú karimás csavarok csökkentett szárralkönnyebbek, mint a közönséges csavarok. Mivel a csökkentett rúdrész csökkenti a felhasznált acél mennyiségét, az ára nagyon olcsó lesz. Drónokban használhatók, mert csökken a csavarok súlya, és javul a drónok teljesítménye.

        带有缩小柄的六角法兰螺栓有几种常见的表面处理选择。你选择合适的是根据螺栓的使用位置和防锈程度.

        锌板是最常用的选择。它在螺栓表面覆盖一层薄薄的保护层,防止生锈和氧化。它便宜,适合日常室内使用或户外环境较轻的地方.

        热浸镀锌也是一个选择。这个过程意味着将螺栓浸入熔化的锌中.这里的涂层比锌板厚,因此能更好地防腐蚀。它适合恶劣环境——比如沿海地区或建筑工地——这些地方的螺栓需要长时间抵御盐水或大量潮湿.

        如果你想让螺栓看起来更好看,同时还能获得适度的防锈效果,可以选择镍镀层或镀铬层.

        对于高温或化学环境中使用的螺栓,不锈钢钝化是首选。这种处理提升了不锈钢本身就具备的天然耐腐蚀性.

        所有这些表面处理都遵循基本的工业规范.他们确保涂层粘得好、耐用,而且在组装螺栓时不会干扰它们的配合和工作。

        A csökkentett szárú hatlapú karimás csavarok megfelelnek az olyan nemzetközi szabványoknak, mint a DIN 6921 és az ISO 4014.

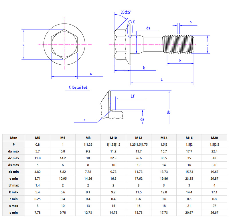
        A gyakori metrikus méretek átmérője M6 és M24 között van, a szár hossza pedig 10 mm és 150 mm között van. A redukált szárrész általában 1-2 mm-rel kisebb, mint a csavarfej átmérője. Így az összeszerelés során gond nélkül illeszkedik a szabványos előre fúrt furatokba.

        Ami a szilárdsági fokozatokat illeti, a két fő választás a 8,8 és a 10,9. A 8.8-as fokozatú csavarok közepes szénacélból készülnek és hőkezeltek. Rendszeres ipari és autóipari munkáknál jól működnek. A 10.9-es fokozatú csavarok nagy szilárdságúak, ötvözött acélból készülnek. Nagy igénybevételre készültek, például építőipari gépekhez vagy olyan berendezésekhez, amelyeknek nagy terheket kell kezelniük.

        Birodalmi méretek is kaphatók. Ezek átmérője 1/4 hüvelyk és 1 hüvelyk között van, hossza legfeljebb 6 hüvelyk.

        Minden csavarfejen egyértelmű jelölések vannak. Közvetlenül rajta láthatja a szilárdsági fokozatot és a szabványos kódot. A karima átmérője és vastagsága is megfelel a vonatkozó szabványoknak, így használat közben egyenletesen osztja el a terhelést.

        如果你需要为某个特定项目定制规格,只需告诉我们你的确切尺寸.我们可以根据您的需求定制螺栓.







        Hot Tags: Hatlapú karimás csavarok csökkentett szárral, Kína, gyártó, szállító, gyár
        Kapcsolódó kategória
        Kérdés küldése
        Kérdését az alábbi űrlapon adja meg. 24 órán belül válaszolunk.
        X
        Cookie-kat használunk, hogy jobb böngészési élményt kínáljunk, elemezzük a webhely forgalmát és személyre szabjuk a tartalmat. Az oldal használatával Ön elfogadja a cookie-k használatát. Adatvédelmi szabályzat
        Elutasít Elfogadás