itthon > Termékek > Dió > Kézi csavar az anyát > Magas fejű recézett anyák
        Magas fejű recézett anyák
        • Magas fejű recézett anyákMagas fejű recézett anyák
        • Magas fejű recézett anyákMagas fejű recézett anyák

        Magas fejű recézett anyák

        Integrálja a mozgásvezérlés jövőjét. A XIAO GUO legújabb, magas fejű recézett anyái optimalizált golyókeringést biztosítanak a csendesebb működés és a nagyobb sebesség érdekében. Ez a divatos, magas fejű recézett anyák választása a következő generációs gépekhez.

        Kérdés küldése

        termékleírás

        A High Head Knurled Nuts szállítási költségei a rendelés méretétől és a szállítási címtől függően változnak. A kisebb megrendeléseknél általában magasabb a szállítási költség. Kisebb megrendelésekhez, mint például minta tételek vagy 5000 darab alatti, futárszolgálatot használunk, mint például a DHL vagy a FedEx. A költségek általában 25 és 90 dollár között mozognak, a szállítás 3-7 napig tart. A postai küldemény olcsóbb, de lassabb, körülbelül 10-18 napig tart.

        A 10 000 darab feletti tömeges rendelések jobbak tengeri vagy légi szállítással. A tengeri fuvarozás költséghatékonyabb, köbméterenként 350-900 dollárba kerül, de 20-35 napig tart. A légi szállítás gyorsabb (5-10 nap), de drágább, körülbelül 6-9 dollár kilogrammonként. Megfelelően becsomagoljuk őket, hogy elkerüljük a szállítás közbeni sérüléseket.

        Csak adja meg rendelési mennyiségét és rendeltetési helyét, és pontos árajánlatot tudunk adni. Nincsenek rejtett díjak – Ön csak a tényleges szállítási költséget fizeti. A magas fejű recézett anyák szállítási lehetőségei kis minták és nagy tömegű vásárlások esetén is működnek, a különböző költségvetési és időigényekhez igazodva.

        A termék megjelenési jellemzői

        Összességében egyszerű henger alakú, nincs benne extra dizájn. A külső felület sima, ami megkönnyíti a beszerelés során az előre kifúrt furatokba való illeszkedést. Az egyik végén egy kis karima van – ez megakadályozza, hogy benyomva átcsússzon a fémlemezen.

        A belső rész egyenletes menetekkel rendelkezik, amelyek megfelelnek a szokásos csavarméreteknek. A menetek nem túl élesek, pont megfelelőek a csavarokkal való sima illeszkedéshez. A másik vége lapos, így beszerelés után a fémlemezhez simul, nincs kilógó rész.

        Mérete kicsi, megfelel a vékonylemez igényeknek. A felület csak az alapbevonattal rendelkezik, mint például horganyzás vagy passziválás, nincs extra szín vagy díszítés. A magas fejű recézett anyák formája a praktikus használatról szól, megkönnyítve a felszerelést és a fémlemez-összeszerelési munkák során történő munkát.

        High Head Knurled Nuts

        Kérdések és válaszok szekció

        K: Testreszabhatja nem szabványos méretekkel?

        V: Igen, elfogadunk egyedi megrendeléseket nem szabványos menetméretekre vagy külső átmérőkre. Csak el kell küldenie nekünk részletes méretigényét és a várható rendelési mennyiséget. Az egyedi megrendeléseknél a gyártási idő körülbelül 15-20 nap, ami kicsit hosszabb, mint a szabványosaknál. Nem kell külön penészdíjat fizetni, ha a mennyiség meghaladja az 50 000 darabot. Először mintákat küldünk Önnek, hogy megerősítsük a tömeggyártás előtt.  


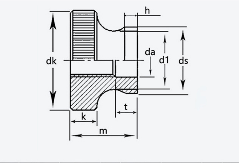
        méret Hangmagasság Külső átmérő Magasság k ds da d1 T h
        max min max min max min max min max
        M3 0.5  11  10.7  6.64  2.8  5.7  3.5  3.2  5.2  1.2 
        M4 0.7  12  11.7  7.64  7.64  4.5  4.2  6.4  2.5  1.5 
        M5 0.8  16  15.7  10  96.6  10  9.64  5.5  5.5 
        M6 20  19.7  12  11.6  12  11.6  6.56  6.2  11  2.5 
        M8 1.25  24  23.7  16  15.6  16  15.6  8.86  8.5  13 
        M10 1.5 30 29.7 20 19.5 8 20 19.5 10.9 10.5 17.2 6.5 3.8
        Hot Tags: Magas fejű recés anyák, Kína, gyártó, szállító, gyár
        Kapcsolódó kategória
        Kérdés küldése
        Kérdését az alábbi űrlapon adja meg. 24 órán belül válaszolunk.
        X
        Cookie-kat használunk, hogy jobb böngészési élményt kínáljunk, elemezzük a webhely forgalmát és személyre szabjuk a tartalmat. Az oldal használatával Ön elfogadja a cookie-k használatát. Adatvédelmi szabályzat
        Elutasít Elfogadás