itthon > Termékek > Dió > Kézi csavar az anyát > Kerek gombok gallérral gördülő anyával
        Kerek gombok gallérral gördülő anyával
        • Kerek gombok gallérral gördülő anyávalKerek gombok gallérral gördülő anyával
        • Kerek gombok gallérral gördülő anyávalKerek gombok gallérral gördülő anyával

        Kerek gombok gallérral gördülő anyával

        A precíziós lineáris mozgáshoz válassza a XIAO GUO továbbfejlesztett kerek gombjait gallérral gördülő anyával. Golyós csavarokhoz tervezték, sima, nagy hatékonyságú mozgást biztosít, így a CNC és automatizálási rendszerek megbízható kínai kerek gombjainak szállítója lehetünk.

        Kérdés küldése

        termékleírás

        Először fúrjon egy lyukat a fémlemezbe, amely illeszkedik a kör alakú gombokhoz és a gallér-hengeranya méretéhez. Ne legyen túl nagy a lyuk, különben nem záródik megfelelően. Tisztítsa meg a lyukban maradt fémforgácsot; akadályozhatják a telepítést.

        Ezután helyezze be az anyát az előre fúrt lyukba, ügyelve arra, hogy a laphoz simuljon. Használjon szabványos présszerszámot, amelynek matricája illeszkedik az anya tetejére. Folyamatos, egyenletes nyomást gyakoroljon a szerszámra – enyhe „kattanást” fog érezni, amikor a helyére rögzül. Tartsa a nyomást 1-2 másodpercig, hogy megbizonyosodjon arról, hogy biztonságos.

        Kerülje a kalapácsütéseket; ez meghajlíthatja az anyát vagy károsíthatja a fémlemezt. Vékony és közepes fémlemezeken működik a legjobban (0,5-2 mm vastag). A felszerelés után simán csavarozhat be egy csavart anélkül, hogy az anya elfordulna. A nyakörvű gördülőanyával ellátott kerek gombok még kezdők számára is könnyen használhatók, nincs szükség bonyolult készségekre.

        Termék csomagolása

        Egyszerű, praktikus csomagolást használunk a dió biztonságának megőrzése érdekében. Kisebb megrendelésekhez vagy mintákhoz átlátszó műanyag zacskókba csomagolják – általában 100 vagy 200 darabot zsákonként. Minden táskán van egy alapcímke a mérettel, az anyaggal és a tételszámmal, így könnyen megtalálhatja, amire szüksége van.

        A tömeges megrendelések erős kartondobozokba kerülnek. A dió méretétől függően minden kartondobozban 5000-10000 darab fér el. Habszivacsot vagy buborékfóliát teszünk a belsejébe, nehogy megkarcolódjanak vagy elmozduljanak szállítás közben. A kartondobozokon egyértelmű kezelési jelzések találhatók, például „száron kell tartani” vagy „nehéz dolgokat egymásra rakni”.

        Ha egyedi csomagolásra van szüksége – például a logójára a zacskókon vagy a csomagonkénti meghatározott mennyiségre –, csak tudassa velünk megrendeléskor. Nincsenek extra divatos cuccok, csak ami a tároláshoz és a szállításhoz használható. Ezekkel a standard opciókkal kapható, amelyek megfelelnek a legtöbb kis műhelynek, nagy gyárnak vagy barkácsfelhasználónak.

        Round Knobs With Collar Rolling Nut

        Kérdések és válaszok szekció

        Milyen vastagságú fémlemez alkalmas a nyakörvű gördülőanyával ellátott kerek gombokhoz?  

        V: Vékony és közepes fémlemezeken működik a legjobban, 0,5–2,5 mm vastagságtartományban. A túl vastag fém nem engedi megfelelően reteszelni, és a túl vékony a beszerelés során deformálódhat. Az olyan általános anyagok, mint a hidegen hengerelt acél, az alumínium és a rozsdamentes acéllemezek, rendben vannak. Csak győződjön meg arról, hogy az előre fúrt lyuk mérete megegyezik az anya külső átmérőjével – mérettáblázatot tudunk biztosítani, ha referenciaként szüksége van rá.  

        Round Knobs With Collar Rolling Nut

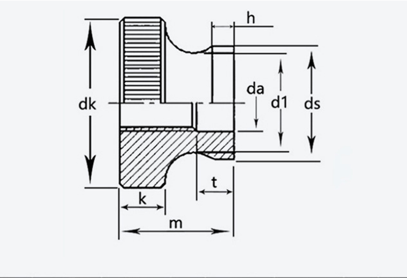
        méret Hangmagasság Külső átmérő Magasság k ds da d1 T h
        max min max min max min max min max
        M3 0.5  11  10.7  6.64  2.8  5.7  3.5  3.2  5.2  1.2 
        M4 0.7  12  11.7  7.64  7.64  4.5  4.2  6.4  2.5  1.5 
        M5 0.8  16  15.7  10  96.6  10  9.64  5.5  5.5 
        M6 20  19.7  12  11.6  12  11.6  6.56  6.2  11  2.5 
        M8 1.25  24  23.7  16  15.6  16  15.6  8.86  8.5  13 
        M10 1.5 30 29.7 20 19.5 8 20 19.5 10.9 10.5 17.2 6.5 3.8
        Hot Tags: Kerek gombok nyakörvű gördülőanyával, Kína, Gyártó, Szállító, Gyár
        Kapcsolódó kategória
        Kérdés küldése
        Kérdését az alábbi űrlapon adja meg. 24 órán belül válaszolunk.
        X
        Cookie-kat használunk, hogy jobb böngészési élményt kínáljunk, elemezzük a webhely forgalmát és személyre szabjuk a tartalmat. Az oldal használatával Ön elfogadja a cookie-k használatát. Adatvédelmi szabályzat
        Elutasít Elfogadás