itthon > Termékek > Hegesztő diófélék > Hegesztőcsavar > Alsó vetületi hegesztési csavarok
      Alsó vetületi hegesztési csavarok
      • Alsó vetületi hegesztési csavarokAlsó vetületi hegesztési csavarok
      • Alsó vetületi hegesztési csavarokAlsó vetületi hegesztési csavarok
      • Alsó vetületi hegesztési csavarokAlsó vetületi hegesztési csavarok

      Alsó vetületi hegesztési csavarok

      Az alsó hegesztőcsavarok szilárdan hegeszthetők fémfelületekre. A tetején menetek találhatók, és az alkatrészek összekapcsolására használható. Nehéz gépekhez, acélszerkezetekhez vagy ipari berendezésekhez alkalmasak, amelyek szilárd és tartós rögzítést igényelnek. A Xiaoguo® Company praktikus lehetőségeket kínál.
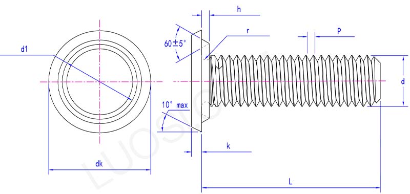
      Modell:QC/T 598-1999

      Kérdés küldése

      termékleírás

      Az alsó kiálló hegesztőcsavarok feje kör alakú és kis hegesztési pontokkal rendelkezik. A csavar hengeres, felülete szabályos és finom menetekkel van gravírozva. Különféle méretben kaphatók, amelyek közül választhat.

      Alkalmazások

      A kiálló hegesztési csavart épületdekorációban használják. A belső dekorációban ezeket a csavarokat ajtók és ablakok, dekorációs panelek, mennyezeti gerendák és egyéb alkatrészek rögzítésére használják; acélszerkezetes épületek egyes kis csatlakozási részein összeköttetésre is használhatók. Nagyon kényelmesek.

      bottom projection weld screws parameter

      Hétfő
      M4 M5 M6 M8 M10 M12
      P
      0.7 0.8 1 1.25 1.5 1.75
      dk max
      11.5 12.5 14.5 19 21 24
      dk min
      11.23 12.23 14.23 18.67 20.67 23.67
      k max
      2 2.5 2.5 3.5 4 5
      k min
      1.75 2.25 2.25 3.25 3.75 4.75
      r min
      0.2 0.2 0.3 0.3 0.4 0.4
      d1 max
      8.75 9.75 10.75 14.25 16.25 18.75
      d1 perc
      8.5 9.5 10.5 14 16 18.5
      h max
      1.25 1.25 1.25 1.45 1.45 1.65
      h min
      0.9 0.9 0.9 1.1 1.1 1.3

      Az alsó kiálló hegesztési csavarokat a gépészeti iparban is használják. Alkalmazhatók mechanikus berendezések általános összeszerelésére, például kis gépek és műszerek alkatrészeinek összekapcsolására, biztosítva, hogy a gép minden része működés közben rögzített helyzetben maradjon és stabilan működjön.

      Ezt a kiálló hegesztési csavart elektronikus eszközök összeszereléséhez használják. Egyes elektronikai készülékházak és belső támasztékok csatlakozásaihoz, amelyek megjelenése magas követelményeket támaszt, és bizonyos meghúzási szilárdságot igényel, ez a csavartípus nagyon alkalmas. Biztosítja a stabil kapcsolatot anélkül, hogy befolyásolná a berendezés megjelenését.

      Termék jellemzői

      Az alsó kiálló hegesztési csavarok felülete viszonylag sima a beszerelés után, így kevésbé valószínű, hogy megkarcolják az embereket vagy más tárgyakat. A fejen lévő hegesztési pontok előhegesztésre használhatóka csavartegy adott alkatrészhez, megkönnyítve a későbbi összeszerelést. A menet pontossága nagy, ami lehetővé teszi, hogy szorosan kapcsolódjon a megfelelő anyához, megbízható rögzítési hatást biztosít, és megőrzi a jó csatlakozási teljesítményt többszöri szét- és összeszerelés után is.


      Hot Tags: Alsó vetületi hegesztési csavarok, Kína, gyártó, szállító, gyár
      Kapcsolódó kategória
      Kérdés küldése
      Kérdését az alábbi űrlapon adja meg. 24 órán belül válaszolunk.
      X
      We use cookies to offer you a better browsing experience, analyze site traffic and personalize content. By using this site, you agree to our use of cookies. Privacy Policy
      Reject Accept