itthon > Termékek > Csavar > Kerek fejű csavar > Horgonyos Biztonságos szemcsavar
        Horgonyos Biztonságos szemcsavar
        • Horgonyos Biztonságos szemcsavarHorgonyos Biztonságos szemcsavar
        • Horgonyos Biztonságos szemcsavarHorgonyos Biztonságos szemcsavar

        Horgonyos Biztonságos szemcsavar

        A Xiaoguo által gyártott összes Anchor Secure Eye Boltot szigorú tesztelésnek vetik alá az exportálás előtt, és a vállalat megbízhatóan tudja szállítani őket. A partnerek megbíznak a Xiaoguóban, a vásárlók pedig bizalommal vásárolhatnak.

        Kérdés küldése

        termékleírás

        Minőségellenőrzési bizonyítvány

        Tehát ha minőségellenőrzési tanúsítványt kap egy Anchor Secure Eye Bolt-hoz, akkor ez egy olyan dokumentum, amelyet a termékhez mellékelnek, és amely azt mutatja, hogy megfelel az olyan meghatározott szabványoknak, mint az ASTM A489. Ez a papírmunka általában megadja a felhasznált anyagok részleteit, ellenőrzi, hogy minden méret megfelelő-e, megerősíti, hogy átment a terhelési teszten, és ellenőrzi a felületkezelést. A tanúsítvány általában egy független laboratóriumtól származik, amely akkreditált az ilyen típusú vizsgálatok elvégzésére. Ami igazán hasznos, az az, hogy lehetővé teszi a termék gyártási tételéig való visszakövetését, ami megbizonyosodhat arról, hogy a szemcsavar valóban biztonságosan használható emelési műveletekhez, és úgy fog működni, ahogyan a munkahelyen használja.

        Anchor Secure Eye Bolt

        A termék felhasználása

        Tehát az Anchor Secure Eye Bolt egyike azoknak az alkatrészeknek, amelyek számos helyzetben jól jöhetnek – főleg nehéz tárgyak emelésére, kötélzetbeállításokra vagy csak dolgok biztonságos rögzítésére lehet használni. Kialakításának módja, az egyik végén körkörös szemmel, igazán egyszerűvé teszi a különböző típusú csatlakozó felszerelések csatlakoztatását. Függetlenül attól, hogy kábelt kell átvezetnie rajta, le kell kötnie egy kötelet vagy rögzítenie kell egy bilincset, ez a szem szilárd pontot ad a munkavégzéshez. Ez az oka annak, hogy ezeket folyamatosan használják építkezéseken, dokkon és hajókon, valamint gyárakban – bárhol, ahol az embereknek rakomány rögzítésére vagy felszerelésük biztonságos mozgatására van szükségük.

        Kérdések és válaszok szekció

        Kérdés: Mekkora az Anchor Secure Eye Bolt biztonságos munkaterhelése? A csavarok biztonságos terhelése a méretétől és típusától függ. Mindig ellenőrizze az éppen használt névleges terhelési diagramot. Soha ne lépje túl ezt a besorolást – biztonságban tartja a dolgokat, amikor tárgyakat emel.

        Anchor Secure Eye Bolt

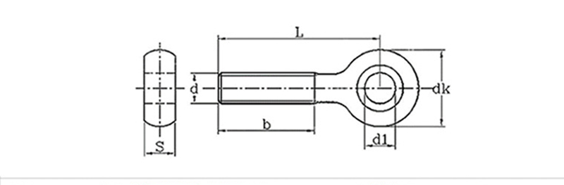
        mm
        Menet átmérő
        d1
        dk
        s
        M6
        5 10.5 5.4
        M8
        6 13 7
        M10
        8 16 8.5
        M12
        10 19 10.5
        M14
        10 22 12

        Hot Tags: Horgonyos Biztonságos szemcsavar
        Kapcsolódó kategória
        Kérdés küldése
        Kérdését az alábbi űrlapon adja meg. 24 órán belül válaszolunk.
        X
        Cookie-kat használunk, hogy jobb böngészési élményt kínáljunk, elemezzük a webhely forgalmát és személyre szabjuk a tartalmat. Az oldal használatával Ön elfogadja a cookie-k használatát. Adatvédelmi szabályzat
        Elutasít Elfogadás