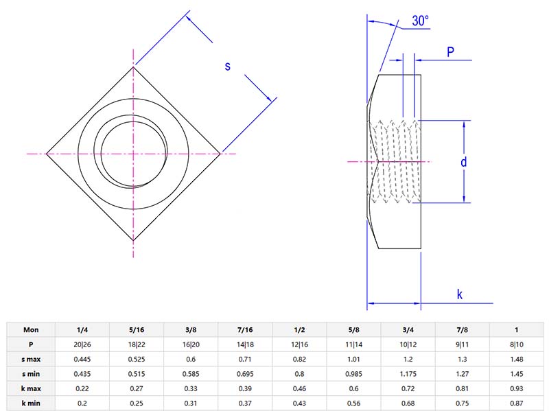
Adurva kész négyzet nutegy alapvető, nem foltos rögzítőelem, nagy szálakkal (durva hangmagassággal) és négyzet alakú. Durva felületi felülete, gyakran cinkezett vagy fekete oxid bevonatú, ellenáll a rozsda és a kemény munkák kezelése.

Ha csavarokat kell használnia durva környezetben, akkor választhatdurva kész négyzet alakú dió- Nyers felülete szintén jobban tartja a piszkos vagy zsíros környezetben, csökkentve a csúszást a meghúzás során. A négyzet alakú anyát csavarkulccsal vagy fogóval lehet rögzíteni. Ez gépi, mezőgazdasági berendezésekhez vagy építkezéshez alkalmas. Nincs divatos bevonat, csak alapvető acél, könnyen kezelhető a nagy szilárdságú felhasználás.
A régi teherautók vagy traktorok rögzítő mechanikája gyakran használja adurva kész négyzet alakú diórozsdás vagy kopott csavarokhoz. A durva felület jobban alkalmazkodik a sérült szálakhoz, mint a csiszolt anyák, és a négyzet alakú forma nem fordul elő nehéz nyomaték alatt. Kiválóan alkalmas kipufogórendszerekre, alváz -javításra vagy bármire, amely ki van téve a zsírnak és a szennyeződésnek. Csak forgassa le, és folytassa a dolgot.
Amikor a mezőgazdasági termelők javítják az eke vagy öntözőkészülékeket, gyakran használják adurva kész négyzet alakú dióMert könnyű kezelni. A durva felület hatékonyan képes kezelni a szennyeződéseket és a szennyeződéseket az eltömődés megakadályozása érdekében. A négyzet alakú dió rögzíthető szűk terekben. Még kesztyűvel is egyszerűen telepíthető, csak alapvető eszközökkel. Ideális a gyors javításokhoz leállás nélkül.

| Piac |
Teljes bevétel (%) |
| Észak Amerika |
15 |
| Dél -Amerika |
10 |
| Kelet -Európa |
12 |
| Délkelet -Ázsia |
10 |
| Közép -Kelet |
7 |
| Kelet -Ázsia |
17 |
| Nyugat -Európa |
15 |
| Dél -Ázsia |
6 |
| Hazai piac |
8 |
Durva kész négyzet alakú dióalacsony karbantartási költségekkel rendelkezik. Ellenőrizze, hogy a szál rozsdás vagy leesik -e használat közben. Ha a bevonat kopott, cserélje ki. Ha az anya sós környezetben van, zsírozza a szálat. Kerülje a túlzottan meghúzódást. A vastag szálak könnyebben esnek le, mint a finom.