itthon > Termékek > Csavar > Kerek fejű csavar > Halcsavar profil
        Halcsavar profil
        • Halcsavar profilHalcsavar profil
        • Halcsavar profilHalcsavar profil
        • Halcsavar profilHalcsavar profil

        Halcsavar profil

        A Xiaoguo® gyár által gyártott horganyprofil precíz feldolgozáson esett át. Minden gyártási folyamat szigorú ellenőrzésen esett át. Az AS 1085.4-2002 szabvány szerint nem kell aggódnia a termék minősége miatt. Ingyenes mintákat kínálunk a teszteléshez.
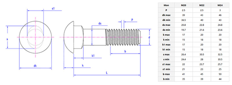
        Modell:ASME/ANSI B18.10-1-2006

        Kérdés küldése

        termékleírás

        AHalcsavar profilfőként a hallemezek rögzítésére szolgál a pályán, lehetővé téve, hogy a két vasúti sínszakasz szorosan összekapcsolódjon és hosszú vágányt képezzen. Különböző nemzetközi szabványoknak, például BS, ASTM, DIN és más szabványoknak megfelelően tudunk gyártani.

        Termék részletei

        A csavarnak többféle fejformája van, például kerek fej, négyzet alakú fej és hatszögletű fej. Csavarrésze menetes, a méretspecifikációk igen változatosak. Az átmérő általában M10-től M24-ig terjed, és a hosszúság is több tíz millimétertől több mint száz milliméterig terjedhet. A gyakori anyagok közé tartozik a szénacél, például a Q235 és 45# acél, valamint a rozsdamentes acél.

        AHalcsavar profila vasúti iparban használják. Vasúti vágányok fektetésekor a sínszakaszok egymás utáni összekapcsolására szolgálnak. A vágányokon nap mint nap számos gyors és nehéz vonat halad el, amelyek jelentős rezgéseket és nyomást keltenek. A csavar szilárdan rögzítheti a síncsuklókat, amelyek biztosítják a pálya stabilitását, és lehetővé teszik a vonat biztonságos és zökkenőmentes haladását. Legyen szó a távolsági fuvarozást szolgáló tehervasútról vagy az utasok szállítására szolgáló gyorsvasútról és közönséges vasútról, egyik sem nélkülözheti.

        Fish bolt profile

        Termék értékesítési pont

        AHalcsavar profila kapcsolat szilárd és praktikus. Erősen rögzítheti a vasúti sínek ízületeit. Amikor a vonat halad, a sínek nem tolódnak el vagy lazulnak el könnyen. Ezen túlmenően nagyon sokoldalú, és használható nehézvasutaknál, kisvasutaknál és egyes vágányoknál az iparban.

        A termék paraméterei

        Fish bolt profile


        Termék csomagolása

        A Fish csavar profil csomagolása praktikus tárolásra és szállításra készült. Minden tételt először méret szerint válogatnak, majd vastag műanyag zacskókba csomagolják, zsákonként 50 vagy 100 darabot. A zacskók szorosan le vannak zárva, hogy távol tartsák a port és a nedvességet, elkerülve a rozsdásodást vagy a fonalkárosodást. Ezeket a kis zacskókat azután hullámkarton kartonokba helyezik. Minden kartonon van egy címke az alapvető információkkal: méret, mennyiség, gyártási dátum és tételszám. Tömeges megrendelés esetén a kartonokat fa raklapokra rakják, és acél hevederekkel rögzítik, hogy megakadályozzák a szállítás során történő elmozdulást. Ez a csomagolási mód könnyen kezelhető, legyen szó raktári tárolásról vagy helyszíni felhasználásról. Segít a gyors készletellenőrzésben és a rendelések teljesítésében is belföldi és nemzetközi szállítmányok esetén.


        Kérdések és válaszok szekció

        K: Milyen szabványos specifikációkkal rendelkezik a Fish csavar profil?

        V: A halcsavar-profil elsősorban a nemzetközi vasúti rögzítőelem-szabványokat követi, mint például a DIN és az ISO. Az általános specifikációk közé tartozik a szár átmérője 16 mm és 30 mm között, valamint a hossza 80 mm és 200 mm között. Ezek a paraméterek a sínek és a talpfák összekötésére vannak szabva. Részletes specifikációs táblázatot tudunk biztosítani, és személyre szabott Halcsavar profil is elérhető az Ön konkrét vasúti projekt követelményei alapján.  



        Hot Tags: Halcsavar profil, Kína, Gyártó, Szállító, Gyár
        Kapcsolódó kategória
        Kérdés küldése
        Kérdését az alábbi űrlapon adja meg. 24 órán belül válaszolunk.
        X
        Cookie-kat használunk, hogy jobb böngészési élményt kínáljunk, elemezzük a webhely forgalmát és személyre szabjuk a tartalmat. Az oldal használatával Ön elfogadja a cookie-k használatát. Adatvédelmi szabályzat
        Elutasít Elfogadás