Kovácsolt szemcsavarerős rögzítők, amelyeket emeléshez, kötélzethez és rögzítéshez használnak. Az egyik végén kerek "szem" hurok van, a másikon pedig egy menetes tengely. Ezek lehetővé teszik a kábelek, kötelek vagy láncok biztonságos rögzítését. Úgy készülnek, hogy kezeljék mind a mozgó, mind a helyhez kötött rakományokat. Sokat fog látni őket az építésben, a tengeri munkában és a logisztikában.
Vannak különféle típusok, például vállcsavar, gépi csavar és csavaros szem. Mindegyik típus különböző terhelési méretre és környezetre működik. Tervezésük nehéz és megbízható, ami fontosvá teszi őket a dolgok biztonságának megőrzése és az ipari környezetben való megfelelő munka érdekében.
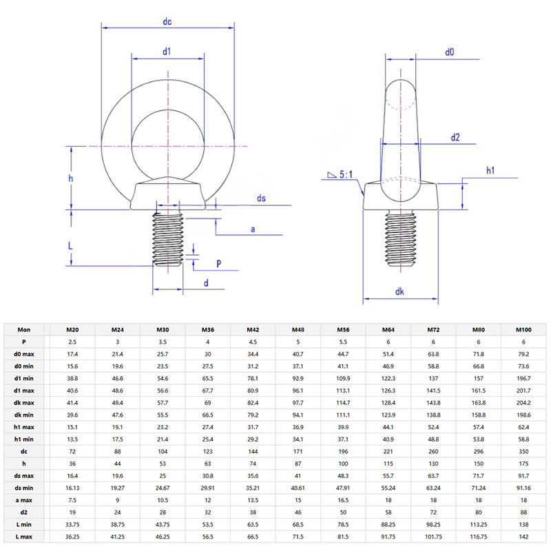
Kovácsolt szemcsavarJöjjön el a szálméretben, az M6 -tól egészen az M48 -ig, és 50 kg és 20 tonna közötti terhelésekhez vannak besorolva. Ha válltípusokat használ, csak ne feledje-egészen be kell csavaroznod őket, hogy elérjék a maximális súly besorolását. Csavarja a szemét? Ezek jobbak a könnyebb munkákhoz. Mindig ellenőrizze, hogy vannak -e olyan tanúsításuk, mint a DIN, az ISO vagy az ASTM - így tudod, hogy legitimek.
Az olyan dolgok, mint a szem mérete, a szár hossza és a szálak távolsága, a munkájától függ, tehát ellenőrizze a súlydiagramokat az eltérések elkerülése érdekében. Szüksége van valami furcsara egy speciális projekthez? Egyes beszállítók még a méreteket vagy szálakat is megcsinálják az Ön számára. Csak ne hagyja ki a részleteket a megrendeléskor.

K: Mi a maximális súlykapacitásakovácsolt szemcsavar, És hogyan határozzák meg?
V: Az, hogy mennyi súlyt tud tartani, három dologhoz vezet: mitől készül, milyen vastag, és hogyan épül. Vegyük például a szénacél kovácsoltokat - ezek keményebbek, mint a bélyegzett vagy hajlított verziók, és 0,25 tonna és 11 tonna között képesek kezelni. A munkaterhelés korlátozását (WLL) - azaz a maximális biztonságos súly, amelyet képesek kezelni - olyan szabályok felhasználásával kerül kiszámításra, mint az ASME B30.26 vagy a DIN 580. Ezek a szabályok biztonsági párnába épülnek, általában 4: 1 vagy 5: 1 arányban, tehát sokkal erősebbek, mint a szám javasolja. Alapvetően, ha 1 tonna besorolású, akkor valójában 4 vagy 5 tonna kezelésére épül, mielőtt bármi oldalra megy.