itthon > Termékek > Csavar > Kerek fejű csavar > Nagy kapacitású szemcsavar
        Nagy kapacitású szemcsavar
        • Nagy kapacitású szemcsavarNagy kapacitású szemcsavar
        • Nagy kapacitású szemcsavarNagy kapacitású szemcsavar

        Nagy kapacitású szemcsavar

        A nagy kapacitású szemcsavarok precíziósan nagy szilárdságú anyagokból készülnek, amelyek nagy teherbíró képességgel rendelkeznek. A Xiaoguo nagy teherbírású szemcsavarjai megfelelnek a nemzetközi biztonsági előírásoknak, és alkalmasak nehézgépek emelésére, műszaki telepítésére és egyéb forgatókönyvekre. A Xiaoguo biztosítja, hogy minden termék megfeleljen a szigorú biztonsági előírásoknak.

        Kérdés küldése

        termékleírás

        Mielőtt a nagy kapacitású szemcsavar használatára gondolna, alaposan nézze meg. Ellenőrizze, hogy nincsenek-e nyilvánvaló sérülések, például repedések, hajlítások vagy elhasználódott-e. Győződjön meg arról is, hogy az összes rajta bélyegzett információ, különösen a munkaterhelési korlát (WLL), világos és könnyen olvasható. Ha nem látja megfelelően, jobb, ha kihagyja, és vesz egy másikat.

        Amikor behelyezi, csavarja be teljesen a lyukba, amíg a vállrész teljesen simára nem kerül és szorosan a felülethez simul. Soha ne használjon kalapácsot az erőltetésre – az elronthatja a dolgokat. Csak használja a megfelelő szerszámot, például egy csavarkulcsot, hogy szorosan és biztonságosan rögzítse.

        Ami a terhelés alkalmazását illeti, mindig tartsa egy vonalban a csavar szemével. Soha ne húzza oldalra vagy valamilyen furcsa szögben, mert ez meghibásodhat. Ha nem egyenes felfelé irányuló emeléshez vállszemű csavart használ, tartsa a szöget 45 fok alatt, és ne feledje, hogy le kell engednie a WLL-t, hogy figyelembe vegye a szöget. Ez segít elkerülni a túlterhelést, és mindent biztonságosabbá tesz munka közben.

        Termék csomagolása

        Ha csak vesz egy kis nagy kapacitású szemcsavar készletet a vasboltból, akkor valószínűleg egy egyszerű kartondobozban érkezik. De ha tömegesen rendel egy nagy munkához vagy ipari felhasználásra, akkor a dolgok megváltoznak. Gyakran biztonságosan csomagolják nagy teherbírású papírkartonokba, amelyeket aztán egymásra raknak, és fa raklapokra rögzítik. Ez a raklapozás meglehetősen szabványos, mert sokkal stabilabbá és biztonságosabbá teszi a szállítást és a kezelést minden érintett számára.

        Egy másik nagyon gyakori módja annak, hogy egyenként vagy csoportosan csomagolják őket, először átlátszó műanyag zacskókba helyezik őket. Ezek a táskák kiválóan távol tartják a nedvességet és a port. Ezután ezeket a zacskókat egy erősebb külső papírdobozba helyezik, hogy további védelmet biztosítsanak a szállítás során. Őszintén szólva, ennek a csomagolásnak a lényege nem az, hogy divatos legyen; ez csak praktikus. Egyedül az a feladata, hogy megvédje a szemcsavarokat a felütődéstől, rozsdásodástól vagy sérüléstől, miközben Önhöz szállítják vagy raktárban vannak.

        Kérdések és válaszok szekció

        Kérdés: Mi a különbség a normál és a vállmintás High Capacity Eye csavar között?A vállmintás csavarnak nagyobb a felfekvési felülete a szem alatt, így jobban elosztja a terhelést. Ez erősebb, és szögletes emeléshez érdemes használni – ellentétben a hagyományos típussal, amely csak egyenes függőleges terheléseknél működik.

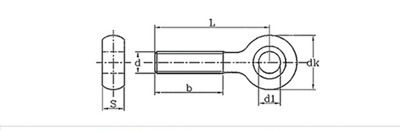
        High Capacity Eye Bolt

        mm
        Menet átmérő
        d1
        dk
        s
        M6
        5 10.5 5.4
        M8

        6

        13 7
        M10
        8 16 8.5
        M12
        10 19 10.5
        M14
        10 22 12


        Hot Tags: Nagy kapacitású szemcsavar
        Kapcsolódó kategória
        Kérdés küldése
        Kérdését az alábbi űrlapon adja meg. 24 órán belül válaszolunk.
        X
        Cookie-kat használunk, hogy jobb böngészési élményt kínáljunk, elemezzük a webhely forgalmát és személyre szabjuk a tartalmat. Az oldal használatával Ön elfogadja a cookie-k használatát. Adatvédelmi szabályzat
        Elutasít Elfogadás