Egy csavaros szemboltnak van egy menetes rúdja és egy gyűrűs feje. A szálakat pontosan vágják, hogy szorosan illeszkedjenek az anyákhoz vagy a menetes lyukakhoz. A gyűrűs fejet a nehéz húzás kezelésére építették, ezáltal megbízhatóvá téve a rakomány emelését vagy rögzítését.
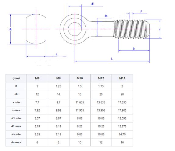
Termék részletei és paraméterei
Minden csavaros szembolt három fő lépéssel végez: fűtött fém formázás (kovácsolás), pontos csavarszálak vágása és végső bevonat/kezelés. Ezek a lépések biztosítják, hogy megfeleljenek a QC 190 - 2012 -es szabályoknak a mérések, az erőigények és a felületminőségre vonatkozóan. Nincsenek divatos extrák - csak egyértelmű folyamatok ellenőrzik a nehéz követelményeket. A standard lefedi, hogy milyen nagyok lehetnek, mekkora súlyt kell tartaniuk törés nélkül, és annak biztosítása, hogy nincs rozsdás vagy durva folt. Alapvetően, ha egy szembolt elhagyja a gyárat, a csavarokat a szemboltot kalapálták, megmunkálták, elkészítették és tesztelték, hogy a tervek szerint működjön.

Csavarok A szemfogókat autógyárakban használják a motorok és sebességváltók emelésére az összeszerelés során. Építőhelyeken segítenek a nehéz dolgok, például acélgerendák vagy betonlapok emelésében. Egyszerű kialakítás, elég kemény a mindennapi nehéz emeléshez.
Piaci disztribúció
| Piac | Bevétel (előző év) | Teljes bevétel (%) |
| Észak Amerika | Bizalmas | 23 |
| Dél -Amerika | Bizalmas | 6 |
| Kelet -Európa | Bizalmas | 15 |
| Délkelet -Ázsia | Bizalmas | 3 |
| Óceánia | Bizalmas | 3 |
| Közép -Kelet | Bizalmas | 2 |
| Kelet -Ázsia | Bizalmas | 18 |
| Nyugat -Európa | Bizalmas | 12 |
| Közép -Amerika | Bizalmas | 5 |
| Dél -Ázsia | Bizalmas | 6 |
Hazai piac | Bizalmas | 7 |
A termék használata
A csavarok szemboltának fő célja a nehéz tárgyak biztonságos emelése és stabil kapcsolatának elérése. Az ipari termelés során a nagy mechanikus alkatrészeket az összeszerelés vagy karbantartás céljából kijelölt helyekre emelik; Építőhelyeken a különféle építőanyagok pontos emelésére szolgál az építőiparra. A mindennapi életben felhasználható nehéz tárgyak, például bútorok és berendezések emelésére is. Az emelő berendezésekkel, például darukkal való együttműködés révén a csavarok a szembolt kulcsfontosságú csatlakozóvá válik a nehéz tárgyak elmozdulásának eléréséhez.