itthon > Termékek > Csavar > Kerek fejű csavar > Smooth Eye Eye Bolt
        Smooth Eye Eye Bolt

        Smooth Eye Eye Bolt

        A Smooth Eye Eye csavarok speciális csavarok gömbfejjel és furattal. Sima gömb alakú kialakításuk lehetővé teszi, hogy más tengelyekkel párosuljanak és forogjanak. A csavarokat bútorszerelésben, mechanikus alkatrészek csatlakoztatásában stb. használják. A Xiaoguo Smooth Eye Eye csavarjai versenyképes árúak, és a vállalat tervezési és gyártási folyamatainak folyamatos fejlesztése népszerűvé tette őket a vásárlók körében.

        Kérdés küldése

        termékleírás

        A termék szállítási költsége

        Tudja, amikor Smooth Eye Eye csavarokat szállít, a fizetendő összeg valójában néhány dologtól függ: mennyire nehéz a csomag, mekkora és hová tart. Például az egyik helyen, ahol láttam, meghatározott 10 eurós díjat számítanak fel a 10 kiló alatti rendelésekért – minden ennél súlyosabb termékért, és az ár felmegy. A legtöbb szállítótársaság vagy a doboz tényleges súlyát, vagy térfogati súlyát veszi figyelembe (ami alapvetően azt jelenti, hogy mennyi helyet foglal el), és attól függően számítják fel a díjat, amelyik nagyobbnak bizonyul. Ha tehát szeretné tudni Eye bolt megrendelésének tényleges szállítási költségét, érdemes közvetlenül a beszállítójánál érdeklődni, vagy egyszerűen csak használja a szállítási kalkulátort a webhelyén. Így valós számot kap, nem csak találgatást.

        A termék megjelenési jellemzői

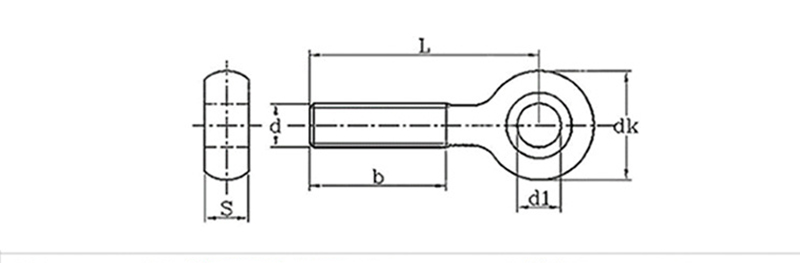
        Tehát, ha egy Smooth Eye Eye csavart nézel, akkor alapvetően van egy kerek hurok az egyik végén, és egy csavarszerű vége a másikon. Ennek a csavarrésznek – amit szárnak hívnak – menete lehet egészen lefelé, vagy csak részben. Egyes változatokhoz lapos gallér is tartozik közvetlenül a szem alatt, ami nagyon hasznos, mert egyenletesebben osztja el az erőt, ha ferdén emelünk valamit. Ez egy meglehetősen egyszerű kialakítás, de ez teszi megbízhatóvá, mint egy szilárd pont a dolgok rögzítéséhez, amikor nehéz dolgokat emelsz vagy kötélzetet állítasz fel.

        Smooth Eye Eye Bolt

        Kérdések és válaszok szekció

        Kérdés: Milyen anyagokból készülnek a Smooth Eye Eye csavarok?

        Csavarjaink általában közepes szénacélból készülnek a rendszeres használat érdekében. Rendelkezünk rozsdamentes acélból (304/316) is a rozsdaállóságért, valamint ötvözött acélból a nagy szilárdságú munkákhoz nehéz környezetben.

        Smooth Eye Eye Bolt

        mm
        Menet átmérő
        d1
        dk
        s
        M6
        5 10.5 5.4
        M8
        6 13 7
        M10
        8 16 8.5
        M12
        10 19 10.5
        M14
        10 22 12


        Hot Tags: Smooth Eye Eye Bolt
        Kapcsolódó kategória
        Kérdés küldése
        Kérdését az alábbi űrlapon adja meg. 24 órán belül válaszolunk.
        X
        Cookie-kat használunk, hogy jobb böngészési élményt kínáljunk, elemezzük a webhely forgalmát és személyre szabjuk a tartalmat. Az oldal használatával Ön elfogadja a cookie-k használatát. Adatvédelmi szabályzat
        Elutasít Elfogadás