itthon > Termékek > Csavar > Egyéb csavarok > Rugós csavarok
        Rugós csavarok
        • Rugós csavarokRugós csavarok
        • Rugós csavarokRugós csavarok
        • Rugós csavarokRugós csavarok
        • Rugós csavarokRugós csavarok
        • Rugós csavarokRugós csavarok

        Rugós csavarok

        A Xiaoguo® professzionális és teljes körű értékesítés utáni szolgáltatással rendelkezik, amely azonnali megoldást nyújt minden problémára. A rugós csavarok elsődleges funkciója a konzisztens, ellenőrzött feszültség vagy előfeszítés alkalmazása és fenntartása a szerelvényekben.

        Kérdés küldése

        termékleírás

        A rugós csavarok többnyire jó ötvözött acélokból készülnek, gondoljunk a 4140-es, 6150-es vagy 8650-es minőségekre, vagy olyan rozsdamentes acélokra, mint a 304 vagy 316. Ezeket az anyagokat szilárd okokból választjuk. Erős kombinációt adnak: nagy szilárdság, jó ellenállás a hajlítási terhelések miatti elfáradással szemben (fáradásállóság), valamint a megfelelő visszaugrási képesség. Minderre szüksége van ahhoz, hogy a csavarok rugóereje valóban működjön.


        Íme az üzlet az ötvözött acélokkal: általában hőkezelést kapnak (azaz meghatározott módon melegítik és hűtik őket), hogy elérjék a megfelelő keménységet és megkapják azt az alapvető rugósságot. A rozsdamentes acél rozsda- és korrózióálló, és a csavarok többszörösen hajlíthatók normál erő hatására anélkül, hogy deformálódnának vagy eltörnének.

        Alkalmazás

        A rugós csavarokat sok nehéz iparágban használják, ahol a dolgoknak ki kell állniuk. Látni fogja őket autómotorokban és sebességváltókban (például szelepfedélben vagy olajteknőben), repülőgépalkatrészekben és sugárhajtóművekben, nehézgépekben, amelyek állandóan vibrálnak, nagy teljesítményű elektronikában, amely szilárd talajt igényel, precíziós szerszámokban és még a csúcskategóriás bútorszerkezetekben is.

        Spring Screws

        Alapvetően mindenütt, ahol vibráció, hőmérsékletváltozás, mozgó terhelés vagy biztonság van, nagy dolog, ha a szokásos csavarok maguktól meglazulnak, ott jönnek be a csavarok. Hosszú ideig szorosan rögzítve tartják a dolgokat anélkül, hogy valakinek kézzel újra meg kell húznia őket.


        Testreszabás

        K: Testreszabhatja a méreteket vagy a terhelési jellemzőket?

        V: Igen, a rugós csavarok testreszabása olyasvalami, amit sokat teszünk. Beállíthatjuk olyan fontos biteket, mint a vezeték vastagsága, hány tekercs van benne, a szabad hossz, a külső szélesség és a rugóerő (alapvetően mennyire merevek), hogy illeszkedjen ahhoz, amire szüksége van. Legyen szó a szükséges erőről, szűk helyen való beilleszkedésről vagy egy meghatározott feladat elvégzéséről, mi megoldjuk.


        Csak mondja el nekünk, hogy pontosan mire van szüksége, vagy még jobb, küldjön egy mintát. Ezután a rugós csavart becsavarjuk közvetlenül az alkatrészébe, és pontosan beépítjük.

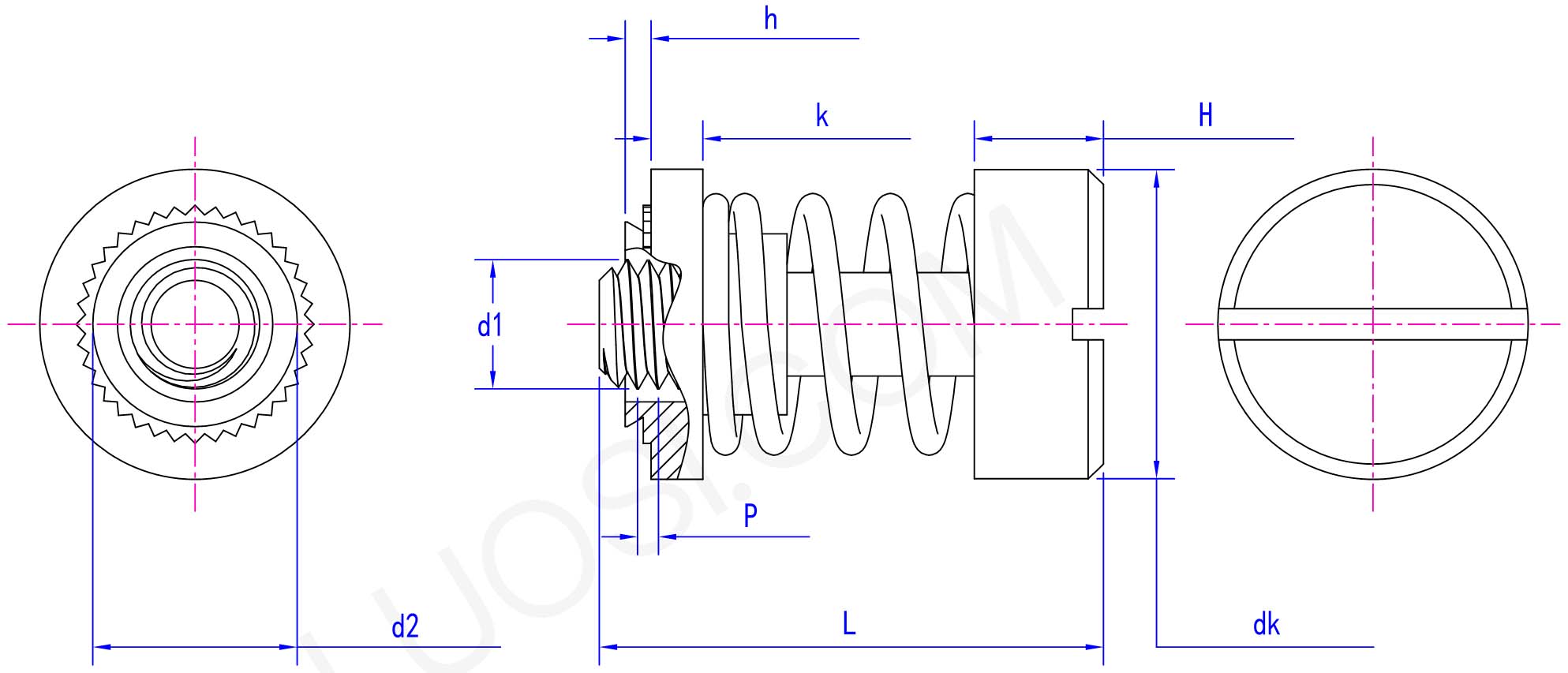
        A gyártó paraméterei

        Hétfő M3 M4 M5 M6
        P 0.5 0.7 0.8 1
        d1 M3 M4 M5 M6
        d2 max 5.48 6.38 7.98 9.48
        dk max 10.56 12.14 13.71 16.13
        dk min 10.06 11.64 13.21 15.63
        h max 1.48 1.48 1.48 1.48
        k max 3.26 3.25 3.05 3.79
        k min 3 2.99 2.79 3.53
        H max 5.26 5.39 5.72 6.25
        H min 5 5.13 5.46 5.99

        Hot Tags: Rugós csavarok, Kína, gyártó, szállító, gyár
        Kapcsolódó kategória
        Kérdés küldése
        Kérdését az alábbi űrlapon adja meg. 24 órán belül válaszolunk.
        X
        Cookie-kat használunk, hogy jobb böngészési élményt kínáljunk, elemezzük a webhely forgalmát és személyre szabjuk a tartalmat. Az oldal használatával Ön elfogadja a cookie-k használatát. Adatvédelmi szabályzat
        Elutasít Elfogadás