itthon > Termékek > Dió > Hatlap karima anya > Villakezelés
        Villakezelés

        Villakezelés

        A XiaoGuo® Fork ízület szigorúan a német DIN 71752-1994 ipari szabványnak megfelelően készül, és a mechanikai rendszerekben lengő és forgási csatlakozásokhoz használják. A villakezelés nyitott villa alakú szerkezetet alkalmaz, és együttműködik a PIN-vel a kétirányú artikuláció elérése érdekében.
        Modell:DIN 71752-1994

        Kérdés küldése

        termékleírás


        A villakezelést széles körben használják olyan forgatókönyvekben, amelyek szögkompenzációt és mozgásátadást igényelnek, például mezőgazdasági gépek felfüggesztését, mérnöki berendezések illesztéseit stb.


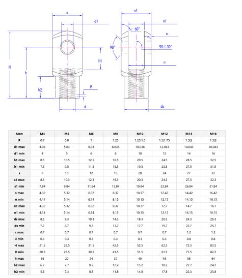
        Részletek és paraméterek

        A 120 ° -os szimmetrikus villa ± 15 ° -ot tesz lehetővé. A villaközület adaptálódik a nem koaxiális telepítési hibákhoz, és elkerüli a feszültségkoncentrációt a merev csatlakozásokban. Ennek az ízületnek az anyagát 42CRMO ötvözetből (nagy szilárdságú) vagy 316 rozsdamentes acélból (korrózióállóság) lehet kiválasztani, hogy megfeleljen a különböző munkakörülmények igényeinek.

        Fork joint

        A villaközpontok kritikusak a szállítószalagokban, összekötő övszegmenseket a sima anyagátvitelhez. Varos kialakításuk elnyeli a rezgéseket és az oldalsó erőket, csökkentve a karbantartást. A robotkarokban a villás ízületek lehetővé teszik a többtengelyes mozgásokat a pontos feladatokhoz, például az összeszerelési vonal műveleteihez.

        Fork joint

        Piaci disztribúció

        Piac
        Bevétel (előző év)
        Teljes bevétel (%)
        Észak Amerika
        Bizalmas
        23
        Dél -Amerika
        Bizalmas 5
        Kelet -Európa
        Bizalmas
        19
        Délkelet -Ázsia
        Bizalmas
        2
        Óceánia
        Bizalmas
        3
        Közép -Kelet
        Bizalmas
        2
        Kelet -Ázsia
        Bizalmas
        15
        Nyugat -Európa
        Bizalmas
        15
        Közép -Amerika
        Bizalmas
        5
        Dél -Ázsia
        Bizalmas
        6

        Hazai piac

        Bizalmas
        5


        Miért válasszon minket

        A DIN 71752-1994 szabványnak megfelelően a villás ízület gyártásában szerzett tapasztalatokkal a PIN-FORK párosítási teszteket (nyomaték-lengési szöggörbéket) biztosítjuk a rendszer szintű teljesítményének biztosítása érdekében;

        7 napon belül befejezzük a nem szabványos villák szájtervét (például a villa szájokat kenési hornyokkal és csúszásgátló reteszelőszerkezetekkel), és a rajzok alapján támogatjuk a feldolgozást.



        Hot Tags: Villa közös, Kína, gyártó, beszállító, gyár
        Kapcsolódó kategória
        Kérdés küldése
        Kérdését az alábbi űrlapon adja meg. 24 órán belül válaszolunk.
        X
        Cookie-kat használunk, hogy jobb böngészési élményt kínáljunk, elemezzük a webhely forgalmát és személyre szabjuk a tartalmat. Az oldal használatával Ön elfogadja a cookie-k használatát. Adatvédelmi szabályzat
        Elutasít Elfogadás