Ezek az ENSZ szegecselt csapok a nyomtatott áramköri lapokhoz általában jó acélötvözetekből, például alacsony szén-dioxid-kibocsátású vagy rozsdamentes acélból vagy alumíniumból készülnek. Szilárd mechanikai szilárdságúak, és jól bírják az időt.
Az acélból készültek nyújtják a legnagyobb szakító- és nyírószilárdságot. Az alumíniumok viszont szépen vezetik az áramot és könnyűek.
Az ezekhez a csapokhoz választott fém azt jelenti, hogy képesek ellenállni a nehéz mechanikai terheléseknek, a fűtési és hűtési ciklusokból eredő igénybevételnek, és erősek maradnak a termék használatának teljes ideje alatt.
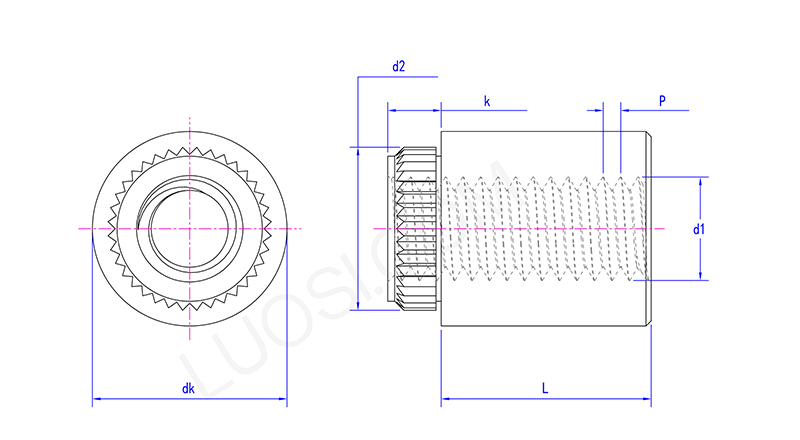
Az UN szegecselt csap a nyomtatott áramköri lapokhoz egy állandó és nagy szilárdságú rögzítőelem, amelyet megbízható külső menetes rögzítési pont biztosítására használnak a nyomtatott áramköri lapokon (NYÁK). Itt az "UN" tipikusan az "Egységes nemzeti szabványt" jelenti, utalva a szabványosított csavarmenet típusára (például UNC vagy UNF), amely biztosítja a kompatibilitást a különböző szabványos anyákkal.
A telepítési folyamat gyors és hatékony. Helyezze be a csapot a nyomtatott áramköri lapon lévő előre fúrt lyukba. Ezután egy erre a célra szolgáló szegecselő szerszámmal deformálja a csap lapos végét, ami kifelé tágul, és szilárdan megtapad a szegecsfej és a csap válla vagy karimája között, így erős és rezgésálló kapcsolatot hoz létre hegesztés nélkül.
Ez a módszer különösen alkalmas olyan helyzetekben, ahol nagy mechanikai igénybevételnek kell ellenállni, többszörös bekötési műveletnek kell alávetni, vagy ahol a hegesztés során keletkező hő károsíthatja az érzékeny alkatrészeket.
Ezeket az ENSZ szegecselt csapokat a nyomtatott áramköri lapokhoz hidegalakítási vagy szegecselési módszerrel helyezik be.
A csapot át kell szúrni a nyomtatott áramkörön lévő előre fúrt lyukon. Ezután egy speciális szegecselőszerszám meghajlítja a csap szárát a deszka alatti matricához, és egy állandó, kiszélesedő zárat hoz létre, amely a helyén tartja.
A hideg feldolgozási módszer kevesebb hőt termel, és nem károsítja a nyomtatott áramköri lapokat vagy az áramköröket. Helyes felszerelés esetén a csapok erős és rezgésálló rögzítést biztosítanak anélkül, hogy veszélyeztetnék az áramköri kártya szerkezetét.

| Piac | Bevétel (előző év) | Teljes bevétel (%) |
| Észak Amerika | Bizalmas | 20 |
| Dél-Amerika | Bizalmas | 4 |
| Kelet-Európa | Bizalmas | 24 |
| Délkelet-Ázsia | Bizalmas | 2 |
| Afrika | Bizalmas | 2 |
| Óceánia | Bizalmas | 1 |
| Közép-Kelet | Bizalmas | 4 |
| Kelet-Ázsia | Bizalmas | 13 |
| Nyugat-Európa | Bizalmas | 18 |
| Közép-Amerika | Bizalmas | 6 |
| Észak-Európa | Bizalmas | 2 |
| Dél-Európa | Bizalmas | 1 |
| Dél-Ázsia | Bizalmas | 4 |
| Belföldi Piac | Bizalmas | 5 |