itthon > Termékek > Dió > Kerek anya > DIN 1804 anya
        DIN 1804 anya
        • DIN 1804 anyaDIN 1804 anya
        • DIN 1804 anyaDIN 1804 anya

        DIN 1804 anya

        A kínai beszállító és gyártó Xiaoguo® az újrafelhasználható DIN 1804 anyára specializálódott. A termék magas költséghatékonyságot kínál, és hosszú távon hatékonyan csökkentheti a karbantartási költségeket. Ha a Bulk DIN 1804 anyákat vásárolja meg, akkor kedvezőbb árat kap.

        Kérdés küldése

        termékleírás

        Telepítési eszközök

        Bár a DIN 1804-es anya szerkezete egyszerű, a megfelelő beszerelés a kulcs a reteszelő teljesítmény biztosításában.

        (1) Magszerszám: kampós csavarkulcs (használni kell), a közös szabvány a DIN 1810.

        Különféle formák léteznek:

        1) Fix típus emelt orral: Megfelel a DIN 1810 szabványnak, ez a legszélesebb körben használt standard opció.

        2)Csuklós/Állítható típus: Egy szerszám több specifikációt is lefed, alkalmas változó munkakörülmények között.

        3) Kit típusa: Például egy 8 részes készlet, amely különféle specifikációkat tartalmaz, megkönnyítve a központosított kezelést és használatot.

        (2) Segédszerszámok: Nyomatékkulcs: A reteszelőerő pontos szabályozása érdekében sok horgos kulcsot négyszögletes nyelvű interfészekkel terveztek, amelyek nyomatékkulcsokhoz csatlakoztathatók. (3) Lazulásgátló tartozékok: A lazulásgátló hatás eléréséhez az anyát a megfelelő kilazulásgátló eszközzel, például reteszelő alátéttel vagy menetrögzítő ragasztóval kell párosítani.

        DIN 1804 Nut

        A telepítés lépései

        (1) Előkészítés a telepítés előtt

        Erősítse meg a specifikációkat: Győződjön meg arról, hogy a DIN 1804 anya menetspecifikációja összhangban van a tengelyével.

        Tisztítási ellenőrzés: Alaposan tisztítsa meg a tengelyt, az anyameneteket és a kulcs illeszkedő felületeit, és ellenőrizze, hogy nincs-e rajta sorja vagy sérülés.

        Ellenőrizze a teherhordó felületet: A beszerelés során az anya finoman megmunkált felületű oldalának a csapágy vagy a munkadarab homlokfelülete felé kell néznie.

        (2) Kezdeti meghúzás

        Kézi behelyezés: Előre igazítsa az anyát a tengelyvéghez, majd kézzel helyezze be 2-3 fordulatig.

        (3) Lazulásgátló eszköz

        Szerelje fel a reteszelő alátétet a kilazulásgátló séma szerint (a belső nyelvnek egy vonalba kell kerülnie a tengelyen lévő reteszhornygal), vagy hordja fel a menetrögzítő ragasztót.

        (4) Végső meghúzás

        Óvatosan illessze be a horogkulcs kiálló orrát az anya hornyába (vegye figyelembe, hogy az M45x1,5 specifikációtól kezdve az anyán 6 horony van, és az erőt egyenletesebben kell kifejteni)

        (5) Zárás és megerősítés

        Mechanikus lazításgátló (reteszelőgyűrű) használata: Az anya meghúzása után hajlítsa meg a gyűrű külső nyelvét, és helyezze be az anya bármely nyílásába a mechanikus reteszelés eléréséhez.

        Használjon vegyszeres lazulásgátlót (menetrögzítő ragasztó): A menetek tisztítása után és a meghúzás előtt vigye fel, és várja meg, amíg megköt.

        Végső ellenőrzés: Használjon nyomatékkulcsot a nyomaték ismételt ellenőrzéséhez.

        DIN 1804 Nut

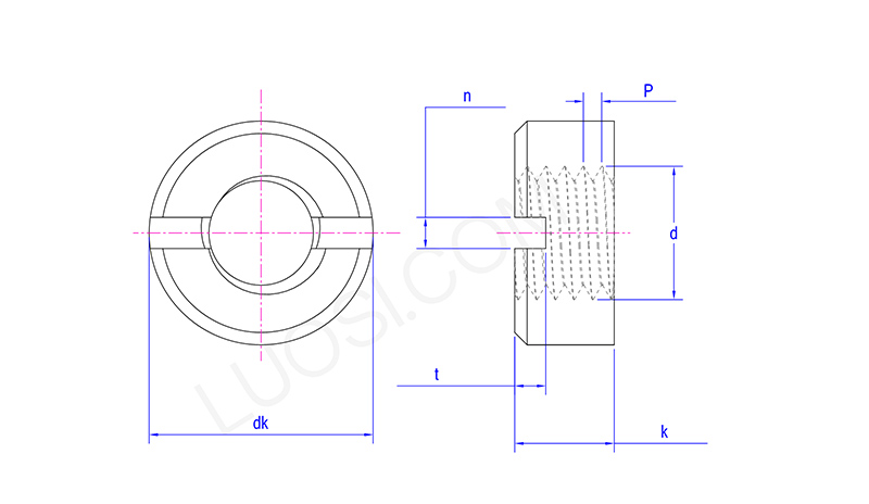
        Hétfő M3.5 M4 M5 M6 M8 M10 M12 M14 M16 M18 M20
        P 0.6 0.7 0.8 1 1.25 1.5 1.75 2 2 2.5 2.5
        dk max 7 8 9 11 14 18 21 24 26 29 32
        dk min 6.64 7.64 8.64 10.57 13.57 17.57 20.48 23.48 25.48 28.48 31.38
        k max 3 3.5 4.2 5 6.5 8 10 11 12 13 14
        k min 2.75 3.2 3.9 4.7 6.14 7.64 9.64 10.57 11.57 12.57 13.57
        n perc 1.46 1.46 2.06 2.56 3.06 3.57 4.07 4.07 4.07 4.07 5.07
        n max 1.71 1.71 2.31 2.81 3.31 3.87 4.37 4.37 4.37 4.37 5.37
        t min 1 1.2 15 2 2.5 3.2 3.8 3.8 3.8 4.8 4.8
        t max 1.40 1.60 1.90 2.4 3 3.7 4.3 4.3 4.3 5.5 5.5

        Telepítési útmutató

        (1) Ne keverje össze a teherhordó felületeket: Győződjön meg arról, hogy a finoman megmunkált d3 felület szorosan érintkezik, a durva felület pedig a szerszám működési irányába néz.

        (2) A nyomaték értéke döntő fontosságú: a túl nagy nyomaték károsíthatja a meneteket vagy deformálódhat a tengelyen; a nem kellően nagy nyomaték nem elegendő előfeszítő erőt eredményez, így a DIN 1804 szerinti anya hajlamos a kilazulásra.

        (3) A szerszámok megfelelő használata: Győződjön meg arról, hogy a dugókulcs mérete pontosan megegyezik az anya külső átmérőjével, hogy elkerülje a rés sérülését.

        (4) Figyelembe kell venni az előfeszítő erőt: A csapágy előfeszítésére történő alkalmazáskor professzionális módszerekkel pontosan be kell állítani az előfeszítő erőt.

        (5)Rendszeres ellenőrzés: A berendezés kezdeti működése során vagy nagyobb javítások után rendszeresen ellenőrizni kell az anyák reteszelési állapotát, hogy megakadályozzuk a kilazulást.

        Hot Tags: DIN 1804 anya, Kína, gyártó, szállító, gyár
        Kapcsolódó kategória
        Kérdés küldése
        Kérdését az alábbi űrlapon adja meg. 24 órán belül válaszolunk.
        X
        Cookie-kat használunk, hogy jobb böngészési élményt kínáljunk, elemezzük a webhely forgalmát és személyre szabjuk a tartalmat. Az oldal használatával Ön elfogadja a cookie-k használatát. Adatvédelmi szabályzat
        Elutasít Elfogadás