itthon > Termékek > Dió > Kerek anya > Hornyolt kör alakú anya
        Hornyolt kör alakú anya
        • Hornyolt kör alakú anyaHornyolt kör alakú anya
        • Hornyolt kör alakú anyaHornyolt kör alakú anya

        Hornyolt kör alakú anya

        A China Xiaoguo® hornyolt köranya képes ellenállni a különféle durva környezeteknek, és könnyedén kezeli a rozsdamentes acél anyagokat. Ez a termék kiemelkedő korrózióállósága. A hornyos köranya beszállítói kiváló minőségű termékeket biztosítanak Önnek.

        Kérdés küldése

        termékleírás

        Problémakezelési eljárás

        Ami a hornyos köranya gyakori problémáit illeti, ez egy szisztematikus kezelési eljárás, amely segít a problémák gyors azonosításában és megoldásában.

        (1) Határozza meg a problémát

        Szemrevételezés: Ellenőrizze, hogy az anyák meglazultak-e, a menetek rozsdásodtak-e vagy elcsúsztak-e, és nincs-e repedés vagy deformáció a hornyoknál.

        Tapintási teszt: Biztonságos állapotban próbálja meg kézzel elfordítani az anyát, és figyelje meg, nincs-e nyilvánvaló ellenállás vagy forgási hézag.

        Visszajelzés a berendezésről: Ügyeljen arra, hogy nincs-e szokatlan rezgés, szokatlan zaj vagy instabil működés a berendezésben.

        Professzionális szerszám: Végezzen szúrópróbaszerű ellenőrzéseket nyomatékkulcs segítségével.

        (2) Hibadiagnosztika

        Az anya meglazult.

        A csavar nem jön le.

        Cérna kopás

        Eltört a dió.

        Slot sérülés

        (3) Hajtsa végre a javítást

        Közvetlen javítás: Meglazult alkatrészek és kisebb rozsdásodás esetén a kenés és az utánhúzás közvetlenül elvégezhető.

        Cserélje ki új alkatrészekkel: Az erősen kopott menetű, sérült vagy törött hornyú anyákat közvetlenül ki kell cserélni.

        Szabványos működési eljárás: Működés közben mindig a megfelelő szerszámokat használja, és kövesse a szabványos nyomatékot.

        Slotted Circular Nut

        A vállalat termelési kapacitása

        Tisztában vagyunk azzal, hogy a fejlett gyártási technikák és berendezések jelentik a magas minőség és a nagy termelési kapacitás biztosításának alapját. Ezért fejlett fémformázó technikákat vezettünk be. Az öntőformákon keresztül a fémrudakat plasztikus deformációnak vetik alá, hogy kialakítsák az anyák alapformáját, és automatizált hornyolási folyamatot alkalmaznak a hatékony és precíz hornyolási feldolgozás érdekében. Az integrált gyártósor lehetővé teszi a teljes folyamat önálló előállítását a nyersanyagoktól a késztermékekig. Ugyanakkor fel van szerelve tesztelő műszerekkel és teljes folyamatot lefedő minőség-ellenőrző rendszerrel, amellyel figyelemmel kísérhetjük és nyomon követhetjük a hornyos köranya teljes gyártási folyamatát.

        Slotted Circular Nut

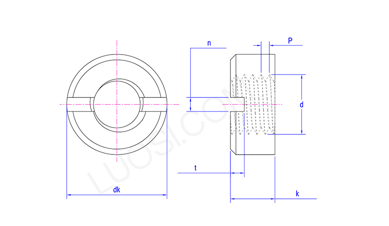
        Hétfő M3.5 M4 M5 M6 M8 M10 M12 M14 M16 M18 M20
        P 0.6 0.7 0.8 1 1.25 1.5 1.75 2 2 2.5 2.5
        dk max 7 8 9 11 14 18 21 24 26 29 32
        dk min 6.64 7.64 8.64 10.57 13.57 17.57 20.48 23.48 25.48 28.48 31.38
        k max 3 3.5 4.2 5 6.5 8 10 11 12 13 14
        k min 2.75 3.2 3.9 4.7 6.14 7.64 9.64 10.57 11.57 12.57 13.57
        n perc 1.46 1.46 2.06 2.56 3.06 3.57 4.07 4.07 4.07 4.07 5.07
        n max 1.71 1.71 2.31 2.81 3.31 3.87 4.37 4.37 4.37 4.37 5.37
        t min 1 1.2 15 2 2.5 3.2 3.8 3.8 3.8 4.8 4.8
        t max 1.40 1.60 1.90 2.4 3 3.7 4.3 4.3 4.3 5.5 5.5

        GYIK

        (1) Melyek a hornyolt köranya általános szabvány előírásai?

        Általános szabványok: GB/T 812 (kínai nemzeti szabvány), DIN 981 (német szabvány, gyakran használják a csapágyak rögzítésére), DIN 1804 és ANSI/ABMA 8.2 (amerikai szabvány) stb.

        (2) Az anya újrafelhasználható?

        Igen, mindaddig, amíg a szerkezet, például a menet és az anya nyílása nem sérült, az anyatest újra felhasználható.

        (3) Mennyi a dió ajánlott karbantartási időszaka?

        Javasolt havonta egyszer megjelenési vizsgálatot végezni; és negyedévente végezzen szúrópróbaszerű utánhúzási ellenőrzést professzionális eszközökkel.

        (4) Melyek a legfontosabb adatok az anya specifikációjának kiválasztásakor?

        A legfontosabb tényező a menet specifikációja (névleges átmérő × menetemelkedés), és elengedhetetlen a menetemelkedés (például M16 × 1,5) ellenőrzése, hogy megbizonyosodjon arról, hogy az teljesen összhangban van a tengely menetspecifikációjával.


        Hot Tags: Hornyolt kör alakú anya, Kína, gyártó, szállító, gyár
        Kapcsolódó kategória
        Kérdés küldése
        Kérdését az alábbi űrlapon adja meg. 24 órán belül válaszolunk.
        X
        Cookie-kat használunk, hogy jobb böngészési élményt kínáljunk, elemezzük a webhely forgalmát és személyre szabjuk a tartalmat. Az oldal használatával Ön elfogadja a cookie-k használatát. Adatvédelmi szabályzat
        Elutasít Elfogadás