itthon > Termékek > Dió > Kerek anya > GB 812 anya
        GB 812 anya
        • GB 812 anyaGB 812 anya
        • GB 812 anyaGB 812 anya

        GB 812 anya

        A Xiaoguo® a GB 812-es anya kínai beszállítója, amely kiváló szilárdsággal és tartóssággal büszkélkedhet. Maga a termék rendkívül nagy terhelésnek is ellenáll, és a legjobb tudása szerint teljesít, és nem valószínű, hogy hosszan tartó használat során deformálódik. Kérjük, próbálja meg a fejlett GB 812 anyát választani. Biztosan kellemes meglepetés lesz!

        Kérdés küldése

        termékleírás

        Gyári vizsgálati cikkek

        A gyártott anyák megbízhatóságának biztosítása érdekében szigorúan a GB 812 anyaszabványnak megfelelő vizsgálatokat végzünk. A tesztek négy kulcsfontosságú szempontra összpontosítanak: méretre, teljesítményre, anyagra és megjelenésre.

        (1) Méretek és pontosság ellenőrzése

        Alakméret mérése: Mérje meg az anya külső átmérőjét, belső átmérőjét és teljes magasságát. A mért értékek nem léphetik túl a tűréshatárt, rögzítés céljából fényképet kell készíteni.

        A horony méretének ellenőrzése: Ellenőrizze a horony vagy bevágás szélességét, mélységét és átmérőjét, hogy biztosítsa a megfelelő illeszkedést a használt szerszámhoz.

        (2) Menetpontosság ellenőrzése

        Menetmérő ellenőrzése: A vizsgálat a "menetmérő (GO)" és a "ütközőmérő (NO-GO)" használatával történik. A minősített szabvány a következő: A menetmérő simán és teljesen behelyezhető legyen, míg az ütközőmérő legfeljebb 2 fordulattal helyezhető be.

        Menetparaméter mérés: Pontos műszerekkel tovább mérjük a menet átlagos átmérőjét, menetemelkedési eltérését és csavarvonalszögét.

        GB 812 Nut

        (3) Mechanikai teljesítményvizsgálat

        Keménységteszt: Rockwell (HRC), Brinell (HBW) vagy Vickers (HV) keménységmérővel mérje meg a keménységet a GB 812 anya homlokfelületén vagy oldalán.

        Egyéb teljesítménytesztek: Az alkalmazási követelményektől függően további vizsgálatok, például szakítószilárdság, ütésállóság és kifáradási élettartam is elvégezhetők a mechanikai tulajdonságainak átfogó értékelése érdekében.

        (4) Felületi minőség és anyagvizsgálat

        Anyagösszetétel-elemzés: Olyan módszerekkel, mint a spektroszkópiai elemzés, ellenőrizték a dió anyagát.

        Felületkezelési vizsgálat:

        Megjelenés és hibák: Vizsgálja meg jó megvilágítás mellett szemrevételezéssel vagy nagyítóval. Nem lehetnek rajta repedések, sorja, redők, rozsda stb., amelyek befolyásolhatják a szilárdságot.

        Bevonat minősége: Ha a terméket galvanizálással, feketítéssel vagy Dacromet bevonattal kezelték, tesztelni kell a bevonat vastagságát (vastagságmérővel), a tapadást (például a karcolási teszttel) és a korrózióállóságot (sópermet teszttel).

        GB 812 Nut

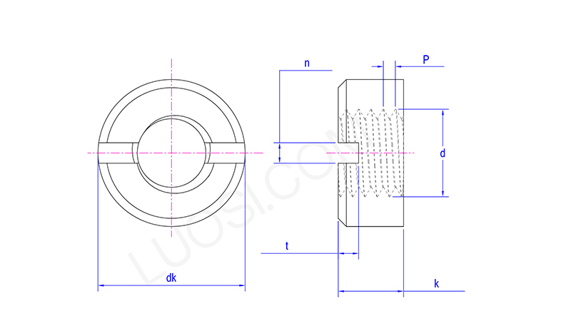
        Hétfő M3.5 M4 M5 M6 M8 M10 M12 M14 M16 M18 M20
        P 0.6 0.7 0.8 1 1.25 1.5 1.75 2 2 2.5 2.5
        dk max 7 8 9 11 14 18 21 24 26 29 32
        dk min 6.64 7.64 8.64 10.57 13.57 17.57 20.48 23.48 25.48 28.48 31.38
        k max 3 3.5 4.2 5 6.5 8 10 11 12 13 14
        k min 2.75 3.2 3.9 4.7 6.14 7.64 9.64 10.57 11.57 12.57 13.57
        n perc 1.46 1.46 2.06 2.56 3.06 3.57 4.07 4.07 4.07 4.07 5.07
        n max 1.71 1.71 2.31 2.81 3.31 3.87 4.37 4.37 4.37 4.37 5.37
        t min 1 1.2 15 2 2.5 3.2 3.8 3.8 3.8 4.8 4.8
        t max 1.40 1.60 1.90 2.4 3 3.7 4.3 4.3 4.3 5.5 5.5

        Csomagolás

        A GB 812-es anya gyári csomagolásánál a GB/T 90.2 szabványt fogjuk követni. A legfontosabb követelmények, hogy a termék címkéi hiánytalanok, a csomagolás szilárd legyen, és a szállítás és tárolás során ellenálljon a környezeti hatásoknak.

        (1) Rozsdagátló kezelés: A bevonat nélküli termékeket rozsdagátló szerrel kell bevonni.

        (2) Csomagolási forma: Több műanyag doboz/zacskó, rozsdamentes zacskó/fólia. A külső csomagolás általában szőtt zacskókból, kartondobozokból vagy fadobozokból készül (speciális igényekhez, például exporthoz egyedi csomagolás is használható)

        (3) Csomagolás szilárdsága: Megfelel a tudományos, szilárd és gazdaságos elveknek, elkerülve a szállítás közbeni sérüléseket (a konkrét részleteket Önnel együtt határozzuk meg)

        (4) A címke tartalma: Gyártó, Terméknév, Szabvány jel, Mennyiség/nettó tömeg, Gyártás dátuma, Minőségi jel stb.

        (5) Címkeformátum: Nincs korlátozás (a nyomtatás/dombornyomás/megkötés/ragasztás mind elfogadható)

        Hot Tags: GB 812 anya, Kína, Gyártó, Szállító, Gyár
        Kapcsolódó kategória
        Kérdés küldése
        Kérdését az alábbi űrlapon adja meg. 24 órán belül válaszolunk.
        X
        Cookie-kat használunk, hogy jobb böngészési élményt kínáljunk, elemezzük a webhely forgalmát és személyre szabjuk a tartalmat. Az oldal használatával Ön elfogadja a cookie-k használatát. Adatvédelmi szabályzat
        Elutasít Elfogadás