itthon > Termékek > Dió > Kerek anya > Kerek anya nyílással
        Kerek anya nyílással
        • Kerek anya nyílássalKerek anya nyílással
        • Kerek anya nyílássalKerek anya nyílással

        Kerek anya nyílással

        A Kínában gyártott, hornyos Xiaoguo® kerek anya megfelel a nemzeti GB812, a német DIN 981 és az ISO 7718 nemzetközi szabványoknak. Ezért a termék mérete és menetpontossága szigorúan szabályozott és nyomon követhető. Kerek anya hornygal Ingyenes minta Ezt a mintát együttműködésünk korai szakaszában biztosítjuk Önnek.

        Kérdés küldése

        termékleírás

        Testreszabási folyamat

        A szokásos testreszabási folyamat a nem szabványos, hornyos kerek anyákhoz:

        (1) Igénykommunikáció: Világosan határozza meg a követelményeket a termék funkcióival, méreteivel, anyagaival stb.

        (2) Rajz megerősítése: Adjon meg 2D/3D rajzokat, és kommunikáljon a mérnökökkel a méretek és tűrések megerősítése érdekében.

        (3) Mintagyártás: A formát a minták előállítására készítik, és miután átmentek a teszteken és az ellenőrzésen, fényképeket és videókat biztosítanak az ügyfeleknek.

        (4) Tömeggyártás: Miután az ügyfél megerősíti, hogy a minta minősített, megkezdődik a tömeggyártási szakasz.

        (5) Minőségellenőrzés szállításkor: A szállítás előtt szigorú ellenőrzéseket végeznek, és az árukkal együtt minőségi jelentéseket is biztosítanak.

        Round Nut with Slot

        A testreszabható fő szempontok

        A nem szabványos testreszabási szolgáltatás a hornyos kerek anyához nagyon kiforrott. Szinte minden kulcsparaméter rugalmasan beállítható a tényleges használatnak megfelelően.

        (1) Méretek és műszaki adatok:

        Teljes méretű beállítás: A külső átmérő, a belső átmérő és a vastagság (magasság) mind testreszabható.

        Speciális testreszabás: Az anyák testreszabott változatai, például hosszúkás, lépcsős, zsákfuratú típusok, stb.

        (2) Menet paraméterei:

        Változatos menetszabványok: Az általánosan használt metrikus finomszálakon kívül támogatja a metrikus durva meneteket, az amerikai szabványos meneteket és a brit szabványos meneteket is.

        Speciális menettípus: A szálak igény szerint testreszabhatók.


        (3) Anyagválasztás:

        Fémanyagok: szénacél, ötvözött acél, rozsdamentes acél, sárgaréz, alumíniumötvözet, titánötvözet stb.

        Nem fémes anyagok: Egyes speciális alkalmazásokhoz nylon és PEEK használható.

        (4) Mechanikai tulajdonságok:

        Szilárdsági fokozat: A hornyos kerek anya testreszabható opciói közé tartoznak a 4.8, 8.8, 10.9 és 12.9 fokozatok, amelyeket úgy terveztek, hogy megfeleljenek a különböző teljesítménykövetelményeknek.

        Mechanikai mutatók: A tényleges igényeknek megfelelően testreszabható.

        (5) Felületkezelés:

        Beleértve az olyan eljárásokat, mint a horganyzás, a feketítés, a daktronbevonat és a nikkelezés.

        (6) Slot típusú kialakítás:

        A kilazulásgátló vagy beépítési követelményeknek megfelelően különböző számú, szélességű, mélységű vagy speciális formájú rés tervezhető.

        (7) Nem szabványos szabványok: Támogatja a nem szabványos verziók átalakítását különböző szabványos rendszerekhez, például nemzeti szabványokhoz (GB), német szabványokhoz (DIN), amerikai szabványokhoz (ANSI) és japán szabványokhoz (JIS).

        Round Nut with Slot

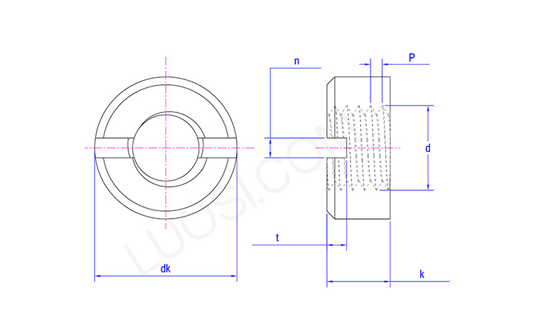
        Hétfő M3.5 M4 M5 M6 M8 M10 M12 M14 M16 M18 M20
        P 0.6 0.7 0.8 1 1.25 1.5 1.75 2 2 2.5 2.5
        dk max 7 8 9 11 14 18 21 24 26 29 32
        dk min 6.64 7.64 8.64 10.57 13.57 17.57 20.48 23.48 25.48 28.48 31.38
        k max 3 3.5 4.2 5 6.5 8 10 11 12 13 14
        k min 2.75 3.2 3.9 4.7 6.14 7.64 9.64 10.57 11.57 12.57 13.57
        n perc 1.46 1.46 2.06 2.56 3.06 3.57 4.07 4.07 4.07 4.07 5.07
        n max 1.71 1.71 2.31 2.81 3.31 3.87 4.37 4.37 4.37 4.37 5.37
        t min 1 1.2 15 2 2.5 3.2 3.8 3.8 3.8 4.8 4.8
        t max 1.40 1.60 1.90 2.4 3 3.7 4.3 4.3 4.3 5.5 5.5
        Hot Tags: Kerek anya hornygal, Kína, gyártó, szállító, gyár
        Kapcsolódó kategória
        Kérdés küldése
        Kérdését az alábbi űrlapon adja meg. 24 órán belül válaszolunk.
        X
        Cookie-kat használunk, hogy jobb böngészési élményt kínáljunk, elemezzük a webhely forgalmát és személyre szabjuk a tartalmat. Az oldal használatával Ön elfogadja a cookie-k használatát. Adatvédelmi szabályzat
        Elutasít Elfogadás