itthon > Termékek > Dió > Kerek anya > Hornyolt kerek záróanya
        Hornyolt kerek záróanya
        • Hornyolt kerek záróanyaHornyolt kerek záróanya
        • Hornyolt kerek záróanyaHornyolt kerek záróanya

        Hornyolt kerek záróanya

        A kínai beszállító Xiaoguo® hornyolt kerek ellenanya fő jellemzője a megbízható kilazulásgátló teljesítmény. A reteszelés elve mechanikus, és hasítócsappal kombinálva fizikai akadályt jelenthet. A hornyolt kerek biztosítóanya raktáron van és szállításra kész. Ezért, ha kiváló lazulásgátló teljesítményre van szüksége, erősen ajánlom, hogy válassza termékünket.

        Kérdés küldése

        termékleírás

        Hogyan válasszuk ki a megfelelő anyagot

        A hornyolt kerek biztosítóanya anyaga változatos. A különböző anyagoknak különböző funkciói vannak a megfelelő forgatókönyvekben. Tehát az igényeid alapján kell választanod.

        (1) A használati környezet elsődleges szempontja: normál beltéri, kültéri, korrozív kültéri vagy tengeri környezet. A környezet közvetlenül befolyásolja az anyagok kiválasztását.

        Például kültéri környezetben a rozsdamentes acél (különösen a 316-os típus) használata javasolt.

        (2) A teljesítménykövetelmények teljesítése: Válassza ki a berendezést a terhelési és rezgési feltételek alapján. Normál terhelésekhez szénacél választható; nagy terheléshez/magas vibrációhoz ötvözött acél szükséges.

        (3) Megfeleljen a speciális követelményeknek: Például az elektronikus eszközöknek vezetőképességre van szükségük, így sárgaréz választható; a könnyű anyagokat igénylő repülőgépipari alkalmazásokhoz alumíniumötvözetek vagy titánötvözetek választhatók.

        (4) Költségek kiegyenlítése: A szénacél a leggazdaságosabb, a rozsdamentes acél közepes árú, és a speciális ötvözetek a legdrágábbak. Válassza ki a legjobb ár-érték arányt az általános költségvetés és fontosság alapján.

        Slotted Round Lock Nut

        Különféle anyagok jellemzői

        Meghatározzuk a hornyolt kerek ellenanya különböző anyagainak leglényegesebb és legszembetűnőbb tulajdonságait, lehetővé téve az összehasonlítást és a kiválasztást.

        Anyag Erő Korrózióállóság Súly Költség Különleges előnyök
        Szénacél Magas Gyenge (bevonatot igényel) Nehéz Alacsony Olcsó általános célú
        Ötvözött acél Magas Gyenge (bevonatot igényel) Nehéz Mérsékelt Ellenáll az ütéseknek és a fáradtságnak
        Rozsdamentes acél Közepes Kiváló Súly Közepesen magas Nem rozsdásodik, higiénikus
        Sárgaréz Alacsony Nehéz Középső Vezetőképes Robbanásbiztos
        Alumínium ötvözet Közepes-alacsony Fény Közepes Könnyű súlyozás
        Titán ötvözet Magas Kiváló Közepes Nagyon magas Könnyű + Erős + Korrózióálló
        Műanyag nagyon alacsony kiváló nagyon könnyű alacsony szigetelő és önkenő

        Slotted Round Lock Nut

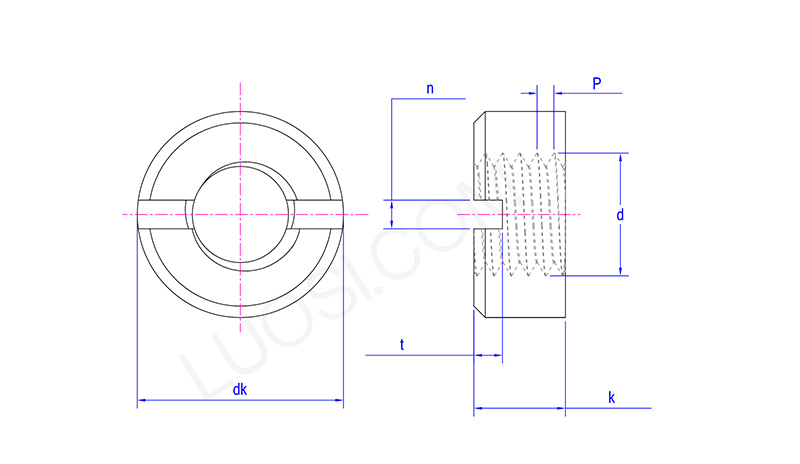
        Hétfő M3.5 M4 M5 M6 M8 M10 M12 M14 M16 M18 M20
        P 0.6 0.7 0.8 1 1.25 1.5 1.75 2 2 2.5 2.5
        dk max 7 8 9 11 14 18 21 24 26 29 32
        dk min 6.64 7.64 8.64 10.57 13.57 17.57 20.48 23.48 25.48 28.48 31.38
        k max 3 3.5 4.2 5 6.5 8 10 11 12 13 14
        k min 2.75 3.2 3.9 4.7 6.14 7.64 9.64 10.57 11.57 12.57 13.57
        n perc 1.46 1.46 2.06 2.56 3.06 3.57 4.07 4.07 4.07 4.07 5.07
        n max 1.71 1.71 2.31 2.81 3.31 3.87 4.37 4.37 4.37 4.37 5.37
        t min 1 1.2 15 2 2.5 3.2 3.8 3.8 3.8 4.8 4.8
        t max 1.40 1.60 1.90 2.4 3 3.7 4.3 4.3 4.3 5.5 5.5

        Alkalmazások különböző anyagokhoz

        Összeállítottuk az Ön számára a különböző anyagokból készült hornyolt kerek anyák fő alkalmazási területeit és jellemzőit.

        (1) Szénacél: Általános gépek, hajók, vasutak, építőipari gépek, nehézgépek

        Jellemzők: Költséghatékony, képes megfelelni a legtöbb hagyományos iparág szilárdsági követelményeinek.

        (2) Ötvözött acél: vasúti szállítás (nagysebességű vasút), szélenergia, repülőgépipar, autók, nehézgépek

        Jellemzők: Nagy szilárdság, ütésállóság, fáradásállóság, extrém dinamikus terhelésnek is ellenáll

        (3) Rozsdamentes acél: Élelmiszer/gyógyszeripar, vegyi anyagok, hajómérnökség, környezetvédelem, precíziós műszerek

        Jellemzők: Kiváló rozsda- és korrózióállóság, amely biztosítja a higiéniát és a tartósságot

        (4) Sárgaréz: elektromos, elektronikus, kommunikációs, robbanásbiztos, műszer- és mérőberendezések; vezetőképes, hővezető

        Jellemzők: Nincs szikra működés közben

        (5) Alumíniumötvözet: űrrepülés, versenyautók, precíziós műszerek, automatizálási berendezések

        Jellemzők: Könnyű, a legjobb választás a könnyű felszerelés eléréséhez

        (6) Titánötvözet: Csúcskategóriás versenyautók, mélytengeri szondák, vegyi feldolgozó berendezések, orvosi eszközök; rendkívül nagy szilárdságú és nagyon könnyű, legmagasabb szintű korrózióállósággal

        (7) Műanyag/nylon: Elektronika, elektromos készülékek, fogyasztási cikkek, élelmiszer-feldolgozás, kísérleti berendezések

        Jellemzők: Szigetelő, nem korrozív, nem mágneses, és nem karcolja meg a beépítési felületet


        Hot Tags: Hornyolt kerek anya, Kína, gyártó, szállító, gyár
        Kapcsolódó kategória
        Kérdés küldése
        Kérdését az alábbi űrlapon adja meg. 24 órán belül válaszolunk.
        X
        Cookie-kat használunk, hogy jobb böngészési élményt kínáljunk, elemezzük a webhely forgalmát és személyre szabjuk a tartalmat. Az oldal használatával Ön elfogadja a cookie-k használatát. Adatvédelmi szabályzat
        Elutasít Elfogadás